Tyhmiä kysymyksiä 156:sta
Valvoja: Moderators
- Naamapalmu
- Viestit: 349
- Liittynyt: 12 Huhti 2012, 15:49
- Car(s): 156 2.0 T.Spark
- Paikkakunta: Helsinki
Re: Tyhmiä kysymyksiä 156:sta
Tessuhan päätti päästä leimalle mutta katsurin kanssa katottiin päästöjä heti käynnistyksen jälkeen ja HC nousee 900ppm ja kone meinaa tukehtua bensaan. Sen jälkeen käy hyvin ja päästöt ok mutta kylmäkäynnistyksessä tai vaikka auto ois seissy vartin kylmässä tekee samaa tukehtumista pariin kertaan. Köhii myös poljettaessa kytkintä tai jarrua joten miten tuo säätää tyhjäkäyntiä sekä kylmänä että kun polkasee kytkintä?
Through difficulties to defeat
- Naamapalmu
- Viestit: 349
- Liittynyt: 12 Huhti 2012, 15:49
- Car(s): 156 2.0 T.Spark
- Paikkakunta: Helsinki
Re: Tyhmiä kysymyksiä 156:sta
Aamun kevennys, stadin ruuhkas suhates tessu keitti.
Syynä irronnut alavesiletku tarvikejäähdyttimestä jossa n. 5mm putkea mihin pitäis saada alavesiletku klemmarilla kii. Onko orkkisjäähdyttimessä parempi alavesiletkun kiinnitys tai voiskohan siihen viritellä jotain ettei merkkais reviiriiään jatkossa ihan näin innokkaasti?
Tessu näköjään toimii hyvin kotiin asti ilmajäähdytteisenä kun en tajunnut keittäneen kun höyrypilvi jäi taa ja lämmöt näytti mittarista 90C
Syynä irronnut alavesiletku tarvikejäähdyttimestä jossa n. 5mm putkea mihin pitäis saada alavesiletku klemmarilla kii. Onko orkkisjäähdyttimessä parempi alavesiletkun kiinnitys tai voiskohan siihen viritellä jotain ettei merkkais reviiriiään jatkossa ihan näin innokkaasti? Tessu näköjään toimii hyvin kotiin asti ilmajäähdytteisenä kun en tajunnut keittäneen kun höyrypilvi jäi taa ja lämmöt näytti mittarista 90C
Through difficulties to defeat
- Alfissimo
- Viestit: 8707
- Liittynyt: 20 Tammi 2004, 02:55
- Car(s): Arkeen Giulietta JTDm ja 147 2.0
Aikaa odottaa kolmen polkimen 166 3.0
Kourajonossa 156 x5, 166 x2 - Paikkakunta: Hollola-Lahti +lähialueet
Re: Tyhmiä kysymyksiä 156:sta
Siihen 5mm nysään lukittuu pikaliitinkulma, johon se alavesiletku kiristetään.
Se kulma on ilmeisesti edelleen kiinni siinä vanhassa kennossa.
Se kulma on ilmeisesti edelleen kiinni siinä vanhassa kennossa.
Poikamiehen on helpompi löytää itselleen hyvä nainen, kuin ruosteeton 156.
- alfa 156 v6
- Viestit: 5495
- Liittynyt: 04 Maalis 2003, 17:02
- Car(s): Käyttis: Ampera, M3, 500c
harrasteet: Spider 2000, 3200 GTA, Integrale 16v, 75 3.0 V6 - Paikkakunta: Keuruu
Re: Tyhmiä kysymyksiä 156:sta
Toimii ilmajäähdytteisenä pakkaskelillä joo.. ex-vaimo ajoi syylärin taannoin pashaks ja jatkoi matkaa (siinäkään ei lämmöt mittarissa noussut, kuulemma) mutta ei enää seuraavana aamuna startannut. Kannentiiviste meni.Naamapalmu kirjoitti: ↑02 Helmi 2021, 11:17Aamun kevennys, stadin ruuhkas suhates tessu keitti.Syynä irronnut alavesiletku tarvikejäähdyttimestä jossa n. 5mm putkea mihin pitäis saada alavesiletku klemmarilla kii. Onko orkkisjäähdyttimessä parempi alavesiletkun kiinnitys tai voiskohan siihen viritellä jotain ettei merkkais reviiriiään jatkossa ihan näin innokkaasti?
Tessu näköjään toimii hyvin kotiin asti ilmajäähdytteisenä kun en tajunnut keittäneen kun höyrypilvi jäi taa ja lämmöt näytti mittarista 90C![]()
Re: Tyhmiä kysymyksiä 156:sta
Oho! Luulin että ainoat Alfa tekemät ilmajäähdytteiset koneet olivat lentokoneisiin mutta näin sitä aina oppii uutta.. 
- Naamapalmu
- Viestit: 349
- Liittynyt: 12 Huhti 2012, 15:49
- Car(s): 156 2.0 T.Spark
- Paikkakunta: Helsinki
Re: Tyhmiä kysymyksiä 156:sta
Täytin vedellä ja käytin korjaamolla syynättävänä -> ilmeisesti ei vielä mennyt kansipahvi ja nyt se letku on sitte liimattu massaläjällä siihen nysään missä olis pitänyt olla pikaliitinkulma. Tää yksilö senku paranee vanhetessaan 

Through difficulties to defeat
- Aquatica
- Viestit: 15229
- Liittynyt: 01 Maalis 2010, 19:10
- Car(s): Nyxät:
Saparo Legacy 2.5 STW Boxer '12 "Perintö/Saparo2"
Citroén C5 1.8 16v '02 "Sinikka"
Ford Focus C-Max 1.6 '05 "Romu"
Exät:
Saparo Outback 2.0 Boxer diesel '11
Giulietta MA170 TCT '11
159 2.4JTDm Q4 SW '08
Giulietta MA170 TCT '11
159 2.4JTDm Q4 SW '07
Giulietta MA170 '11
159 2.4JTDm '06
MiTo 1.4 T-Jet 155 '09
156 2.4JTD '01
156 1.8TS "Super" '03
207 1.6HDi '06,
156 2.0TS '99 - Paikkakunta: Mikkeli
Re: Tyhmiä kysymyksiä 156:sta
Alkuperäinen jäähy ei liene enää tallella? Nuo viritykset ei ihan kauhean usein kestä loputtomiin...
-
centro style
- Viestit: 177
- Liittynyt: 05 Tammi 2019, 18:56
- Car(s): Alfa Romeo 156 V6
Re: Tyhmiä kysymyksiä 156:sta
Ei välttämättä kestä, kun massaläjällä liimattu kiinni....Toki, kestää aikansa varmasti, mutta jossainkohtaa joudutte syventymään tähän uudestaanNaamapalmu kirjoitti: ↑02 Helmi 2021, 18:05Täytin vedellä ja käytin korjaamolla syynättävänä -> ilmeisesti ei vielä mennyt kansipahvi ja nyt se letku on sitte liimattu massaläjällä siihen nysään missä olis pitänyt olla pikaliitinkulma. Tää yksilö senku paranee vanhetessaan![]()
- Mokomakin
- Viestit: 725
- Liittynyt: 11 Loka 2008, 17:56
- Car(s): 156 2.0ts -98
916 GTV 2.0ts -97
166 2.0ts -00
306 Cabriolet -97
Kadett -65 - Paikkakunta: Salo
Re: Tyhmiä kysymyksiä 156:sta
Tiedossa olisi busso 156 jossa CODE valo loistaa kuin pohjantähti, millaisellakohan prosentilla vika on ollut sirun antennissa? Saako mistään Code kortteja jotta vois koittaa käynnistää koodilla.. Syötettiinkö koodi kaasupolkimella ja moottorin vikavalolla (-98 auto). Toimiiko muuten sama metodi myös vaijerikaasuisiin tessuihin?
-
centro style
- Viestit: 177
- Liittynyt: 05 Tammi 2019, 18:56
- Car(s): Alfa Romeo 156 V6
Re: Tyhmiä kysymyksiä 156:sta
Totaah....Eli siis se Alffa ei nyt lähde käyntiin, jos ei tunnista nyt avainta
?.....Runkonumeron kautta saa tilattua uuden avaimen merkkiliikkeen kautta (ei ehkä halvin vaihtoehto),mutta sen jälkeen auto taasen toimii 
- Aquatica
- Viestit: 15229
- Liittynyt: 01 Maalis 2010, 19:10
- Car(s): Nyxät:
Saparo Legacy 2.5 STW Boxer '12 "Perintö/Saparo2"
Citroén C5 1.8 16v '02 "Sinikka"
Ford Focus C-Max 1.6 '05 "Romu"
Exät:
Saparo Outback 2.0 Boxer diesel '11
Giulietta MA170 TCT '11
159 2.4JTDm Q4 SW '08
Giulietta MA170 TCT '11
159 2.4JTDm Q4 SW '07
Giulietta MA170 '11
159 2.4JTDm '06
MiTo 1.4 T-Jet 155 '09
156 2.4JTD '01
156 1.8TS "Super" '03
207 1.6HDi '06,
156 2.0TS '99 - Paikkakunta: Mikkeli
Re: Tyhmiä kysymyksiä 156:sta
Antenni näissä yleisesti on se syypää ollut. Ja kyllä, kaasupolkimella ja vikavalolla se koodi syötetään. Vaijeriversiossa toimivuudesta en tiedä.Mokomakin kirjoitti: ↑13 Helmi 2021, 20:03Tiedossa olisi busso 156 jossa CODE valo loistaa kuin pohjantähti, millaisellakohan prosentilla vika on ollut sirun antennissa? Saako mistään Code kortteja jotta vois koittaa käynnistää koodilla.. Syötettiinkö koodi kaasupolkimella ja moottorin vikavalolla (-98 auto). Toimiiko muuten sama metodi myös vaijerikaasuisiin tessuihin?
-
centro style
- Viestit: 177
- Liittynyt: 05 Tammi 2019, 18:56
- Car(s): Alfa Romeo 156 V6
Re: Tyhmiä kysymyksiä 156:sta
Onko Alfa 156:seen saatavilla eteen alkuperäisiä roiskeläppiä, tarkoitan sellasia, jotka sopisi muotoilun puolesta suoraan lokasuojan reunaa vasten?
- Alfissimo
- Viestit: 8707
- Liittynyt: 20 Tammi 2004, 02:55
- Car(s): Arkeen Giulietta JTDm ja 147 2.0
Aikaa odottaa kolmen polkimen 166 3.0
Kourajonossa 156 x5, 166 x2 - Paikkakunta: Hollola-Lahti +lähialueet
Re: Tyhmiä kysymyksiä 156:sta
Joskus aikoinaan saanut, mutta nykyisin varmaankin vain purkuosana, jos jossain sattuu vielä ehjät olemaan.
Poikamiehen on helpompi löytää itselleen hyvä nainen, kuin ruosteeton 156.
- TeroV.
- Viestit: 538
- Liittynyt: 03 Maalis 2003, 15:47
- Car(s): Giulietta T-JET 2012
156 SW 2.4 JTDm 20V 2005
GT 1.9 JTDm 16V 2007
Lancia Delta 2.0 Multijet 2008
Aprilia RST 1000 Futura 2004 - Paikkakunta: Ylöjärvi
Re: Tyhmiä kysymyksiä 156:sta
Yhteen 156:een jostain sain haalittua alkuperäiset, mutta ne olivat mielestäni aika onnettomat. Nykyisissä hallussa olevissa kahdessa yksilössä on molemmissa Motonetista ostetut yleismalliset (tällaiset), jotka istuvat mielestäni ihan nätisti 156:n etulokarin reunaan. Nuo ulottuvat alkuperäisiä ylemmäs ja siten suojaavat paremmin kiveniskuilta.centro style kirjoitti: ↑14 Helmi 2021, 17:19Onko Alfa 156:seen saatavilla eteen alkuperäisiä roiskeläppiä, tarkoitan sellasia, jotka sopisi muotoilun puolesta suoraan lokasuojan reunaa vasten?
- Turre
- Viestit: 339
- Liittynyt: 29 Kesä 2009, 23:37
- Car(s): 156 2.0 JTS -03 (Oikkuli)
156 SW 2.0 JTS -02 (Villikko)
156 SW 2.5 V6 -03 (Vararikko)
Mitsubishi Outlander mk1 2.4 -05 (Ronsu II) - Paikkakunta: Kangasniemi
Re: Tyhmiä kysymyksiä 156:sta
Hyvä tietää! Olen noita joskus arvuuttanut mutta on hyllyyn jääneet kun on istuvuus epäilyttänyt.
Samassa ojassa siis, ei tunnu maailmaltakaan löytyvän enää mitään mallikohtaista, alkuperäisistä puhumattakaan.
Duct tape is like the force: It has a dark side and a light side and it holds the universe together.
-
Alfred Romero
- Viestit: 565
- Liittynyt: 10 Tammi 2006, 21:00
- Car(s): 916 2.0 TS-95
V70 2.0t-01
156 2.0 TS-01 - Paikkakunta: Akaa/ Viiala
Re: Tyhmiä kysymyksiä 156:sta
2.0 ts 2001. Taas. Seuraa omituinen kysymys:
Voiko imunokan sisässä oleva ajoituksenmuunnin
härpäkkä jumittua sellaiseen asentoon, että venttiilien ajoitus sekoaa?
Pari viikkoa sitten tehty onnistunut remmitys, jonka jälkeen auto toimi kuin unelma. Nyt se tuotiin trailerilla talliin..
Jakopään en usko pettäneen. Äsken auto hetkeksi jopa käynnistyi. Kävi tyhjäkäyntiä hetken vajaalla ja sammui.
Vikakoodi löytyi, mutta sen sai nollattua. Tuli tod.näk. tyhjiin sahatusta akusta, kun jouduin autoa trailerilta alas ja talliin startilla siirtämään.
Startatessa ns. puristuksia puuttuu. Tästä epäilen, että imunokka-akseli ei oo nyt oikeassa asennossa. Remmitys tehty lukkopaloilla, joten pieleen merkityistä tussiviivoista ei oo kyse. Tää teki tämän ennenkin. Kun jaon haki kohdalleen niin auto toimi kuin unelma.
Mutta joo, tuo muunnin/variaattori härdelli?
Mulla on uusi kiinni uudessa akselissa, niin ajattelin vaihto jumpan tehdä. Sitä vaan kyselen että onko jollain eksaktimpaa tietoa, että kannattaako.
Uusi akseli sinänsä vaatii varmaan vertailu mittailun vanhaan ja mikrometrejä jne. ei löydy.
Muuntimen solenoidi on hengissä.
Kiitos.
Voiko imunokan sisässä oleva ajoituksenmuunnin
härpäkkä jumittua sellaiseen asentoon, että venttiilien ajoitus sekoaa?
Pari viikkoa sitten tehty onnistunut remmitys, jonka jälkeen auto toimi kuin unelma. Nyt se tuotiin trailerilla talliin..
Jakopään en usko pettäneen. Äsken auto hetkeksi jopa käynnistyi. Kävi tyhjäkäyntiä hetken vajaalla ja sammui.
Vikakoodi löytyi, mutta sen sai nollattua. Tuli tod.näk. tyhjiin sahatusta akusta, kun jouduin autoa trailerilta alas ja talliin startilla siirtämään.
Startatessa ns. puristuksia puuttuu. Tästä epäilen, että imunokka-akseli ei oo nyt oikeassa asennossa. Remmitys tehty lukkopaloilla, joten pieleen merkityistä tussiviivoista ei oo kyse. Tää teki tämän ennenkin. Kun jaon haki kohdalleen niin auto toimi kuin unelma.
Mutta joo, tuo muunnin/variaattori härdelli?
Mulla on uusi kiinni uudessa akselissa, niin ajattelin vaihto jumpan tehdä. Sitä vaan kyselen että onko jollain eksaktimpaa tietoa, että kannattaako.
Uusi akseli sinänsä vaatii varmaan vertailu mittailun vanhaan ja mikrometrejä jne. ei löydy.
Muuntimen solenoidi on hengissä.
Kiitos.
"ei edes se nytkäys, mutta se äkkipysähdys.."
- Alfissimo
- Viestit: 8707
- Liittynyt: 20 Tammi 2004, 02:55
- Car(s): Arkeen Giulietta JTDm ja 147 2.0
Aikaa odottaa kolmen polkimen 166 3.0
Kourajonossa 156 x5, 166 x2 - Paikkakunta: Hollola-Lahti +lähialueet
Re: Tyhmiä kysymyksiä 156:sta
Mikä se koodi oli? Äkkistään en usko, en tosin ole varmakaan, että solenoidin takia kone jättäisi käynnistymättä, vaikka ei liikkuisikaan.
Poikamiehen on helpompi löytää itselleen hyvä nainen, kuin ruosteeton 156.
- Aquatica
- Viestit: 15229
- Liittynyt: 01 Maalis 2010, 19:10
- Car(s): Nyxät:
Saparo Legacy 2.5 STW Boxer '12 "Perintö/Saparo2"
Citroén C5 1.8 16v '02 "Sinikka"
Ford Focus C-Max 1.6 '05 "Romu"
Exät:
Saparo Outback 2.0 Boxer diesel '11
Giulietta MA170 TCT '11
159 2.4JTDm Q4 SW '08
Giulietta MA170 TCT '11
159 2.4JTDm Q4 SW '07
Giulietta MA170 '11
159 2.4JTDm '06
MiTo 1.4 T-Jet 155 '09
156 2.4JTD '01
156 1.8TS "Super" '03
207 1.6HDi '06,
156 2.0TS '99 - Paikkakunta: Mikkeli
Re: Tyhmiä kysymyksiä 156:sta
^
Samaa mieltä.
Sen sijaan perinteinen "siellä vika, mihin viimeksi on koskettu"... Eipä se muuta tarvitse kuin joku jäänyt aavistuksen löysälle (eikä tarvi olla sormikireydellä vaan ihan kiinni asti, mutta ei tarpeeksi) pultti tahi mutteri, kun muutaman viikon aikana kone ravistaa sen auki ja tuho voi alkaa.
Vaikka jos kiristin on päässyt löysälle ja jako hypännyt 2-3 hammasta, se voi hetkittäin jopa käydä. Ja jos on löysällä, pari pörähdystä ja jako hyppäskin sit niin pali et ottaa venttiileihin.
Ja on niillä lukkopaloillakin mahdollisuus vetää pieleen
Olikos tässä kiilat hammaspyörien lukituksessa, ettei ole vaan kartiokiristys?
Samaa mieltä.
Sen sijaan perinteinen "siellä vika, mihin viimeksi on koskettu"... Eipä se muuta tarvitse kuin joku jäänyt aavistuksen löysälle (eikä tarvi olla sormikireydellä vaan ihan kiinni asti, mutta ei tarpeeksi) pultti tahi mutteri, kun muutaman viikon aikana kone ravistaa sen auki ja tuho voi alkaa.
Vaikka jos kiristin on päässyt löysälle ja jako hypännyt 2-3 hammasta, se voi hetkittäin jopa käydä. Ja jos on löysällä, pari pörähdystä ja jako hyppäskin sit niin pali et ottaa venttiileihin.
Ja on niillä lukkopaloillakin mahdollisuus vetää pieleen
-
Alfred Romero
- Viestit: 565
- Liittynyt: 10 Tammi 2006, 21:00
- Car(s): 916 2.0 TS-95
V70 2.0t-01
156 2.0 TS-01 - Paikkakunta: Akaa/ Viiala
Re: Tyhmiä kysymyksiä 156:sta
Koodi oli P0606 ja netin syövereistä yhdeksi syyksi ilmoitettiin tyhjentynyt akku. Kuten tässä tapauksessa ainakin kävi. On tuolla koodilla muutakin sälää, mutta ladatulla akulla käynnistyi hetkeksi kun läppä oli täysin auki. Kävi hetken ja sammui. Ei vikakoodia. Käytössä lisenssi MES ja Elm 327.
Jako ei oo hypännyt. Vaihdan tuon ajoituksen muuntimen uuteen, niin sittenpä on sekin suljettu pois.
Jako ei oo hypännyt. Vaihdan tuon ajoituksen muuntimen uuteen, niin sittenpä on sekin suljettu pois.
"ei edes se nytkäys, mutta se äkkipysähdys.."
-
Alfred Romero
- Viestit: 565
- Liittynyt: 10 Tammi 2006, 21:00
- Car(s): 916 2.0 TS-95
V70 2.0t-01
156 2.0 TS-01 - Paikkakunta: Akaa/ Viiala
Re: Tyhmiä kysymyksiä 156:sta
Moro.
Onko olemassa jotain perusasetusta löysätylle imunokan hihnapyörälle tuon ajoituksenmuuntimen takia?
Saa nähdä löytyikö syy moottorin säännölliseen pimenemiseen..
Lasertools.co.uk sivu antaa nokkalukoille tiedot
B1 inlet ja b2 exhaust.
Alfaowner ja jopa kuvankin kanssa kääntääkin
B2sen imupuolelle ja b1sen pakopuolelle.
Niin että hermot meni. Onneksi ei pata.
Onko olemassa jotain perusasetusta löysätylle imunokan hihnapyörälle tuon ajoituksenmuuntimen takia?
Saa nähdä löytyikö syy moottorin säännölliseen pimenemiseen..
Lasertools.co.uk sivu antaa nokkalukoille tiedot
B1 inlet ja b2 exhaust.
Alfaowner ja jopa kuvankin kanssa kääntääkin
B2sen imupuolelle ja b1sen pakopuolelle.
Niin että hermot meni. Onneksi ei pata.
"ei edes se nytkäys, mutta se äkkipysähdys.."
Re: Tyhmiä kysymyksiä 156:sta
Imunokan neljä ribeä olen yleensä vetänyt keskelle säätöhahloa niin on varaa säätää.Alfred Romero kirjoitti: ↑27 Helmi 2021, 13:42Moro.
Onko olemassa jotain perusasetusta löysätylle imunokan hihnapyörälle tuon ajoituksenmuuntimen takia?
Saa nähdä löytyikö syy moottorin säännölliseen pimenemiseen..
Lasertools.co.uk sivu antaa nokkalukoille tiedot
B1 inlet ja b2 exhaust.
Alfaowner ja jopa kuvankin kanssa kääntääkin
B2sen imupuolelle ja b1sen pakopuolelle.
Niin että hermot meni. Onneksi ei pata.
Tuohon malliin pitäisi nokat näyttää.
https://1drv.ms/u/s!AmVYHHVaBarBgZQ3f-R9z_8aBJkOWg
- 155156
- Viestit: 2295
- Liittynyt: 11 Kesä 2003, 17:08
- Car(s): Alfa Romeo Giulia Veloce Q4 2.0T vm. 2018
Alfa Romeo 156 2.5 V6 vm. 2001
ex-155 2.0 16V
ex-Sprint 1.5 QV - Paikkakunta: Jyväskylä
Re: Tyhmiä kysymyksiä 156:sta
2001 156 V6 vilkut lopettivat ajoittan toiminnan viime perjantaina. Ensin oli jonkun aikaa kokonaan toimimattomat, mutta sen jälkeen vilkkuminen alkoi "katkomaan" eli vilkun toiminta saataa loppua kesken vilkutuksen. Sulake ei voi olla syynä, kun osan ajasta toimii.
Onko muita vaihtoehtoja vialliseksi komponentiksi kuin vilkun rele, kun kesken vilutuksen saattaa lopettaa toiminan?
Onko muita vaihtoehtoja vialliseksi komponentiksi kuin vilkun rele, kun kesken vilutuksen saattaa lopettaa toiminan?
Re: Tyhmiä kysymyksiä 156:sta
Toimiiko hätävilkulla moitteetta?
- Aquatica
- Viestit: 15229
- Liittynyt: 01 Maalis 2010, 19:10
- Car(s): Nyxät:
Saparo Legacy 2.5 STW Boxer '12 "Perintö/Saparo2"
Citroén C5 1.8 16v '02 "Sinikka"
Ford Focus C-Max 1.6 '05 "Romu"
Exät:
Saparo Outback 2.0 Boxer diesel '11
Giulietta MA170 TCT '11
159 2.4JTDm Q4 SW '08
Giulietta MA170 TCT '11
159 2.4JTDm Q4 SW '07
Giulietta MA170 '11
159 2.4JTDm '06
MiTo 1.4 T-Jet 155 '09
156 2.4JTD '01
156 1.8TS "Super" '03
207 1.6HDi '06,
156 2.0TS '99 - Paikkakunta: Mikkeli
Re: Tyhmiä kysymyksiä 156:sta
Mites mä muistelen et mulla 156 teki just niin. Saattoi jäädä vilkku päälle tai sammuksiin, toimi jos huvitti.155156 kirjoitti: ↑01 Maalis 2021, 12:542001 156 V6 vilkut lopettivat ajoittan toiminnan viime perjantaina. Ensin oli jonkun aikaa kokonaan toimimattomat, mutta sen jälkeen vilkkuminen alkoi "katkomaan" eli vilkun toiminta saataa loppua kesken vilkutuksen. Sulake ei voi olla syynä, kun osan ajasta toimii.
Onko muita vaihtoehtoja vialliseksi komponentiksi kuin vilkun rele, kun kesken vilutuksen saattaa lopettaa toiminan?
Syynä oli rele - ja koska siinä autossa oli VDC eikä matalaa relettä saanut mistään, piti ostaa halpa tarvikerele ja laittaa jatkojohdoilla sitten sulakerasian puolelle rele.
- Jiitee
- Viestit: 4795
- Liittynyt: 11 Loka 2011, 17:29
- Car(s): 916- Spider 2.0 Twin Spark ’96, IS250 ´07 sekä koreealaine suvi larattava hyprit. VW Typ1 1964 DeLuxe. Projektina 116-Giulietta 2.0 TC `81 ( 2. sarja )
ex-Giulia 2,0 TB ´17, `81 Giulietta 2.0 TC( 1. sarja) , ´03 FL 156 SW JTDMjet 16 - Paikkakunta: E-Pohojammaa, välillä ESavo ja Manse
Re: Tyhmiä kysymyksiä 156:sta
Roger that - vilkun releen oireet selvät . Mm. tässä langassa oma episodi : viewtopic.php?f=1&t=11251&hilit=156+vil ... &start=600Aquatica kirjoitti: ↑01 Maalis 2021, 17:02Mites mä muistelen et mulla 156 teki just niin. Saattoi jäädä vilkku päälle tai sammuksiin, toimi jos huvitti.155156 kirjoitti: ↑01 Maalis 2021, 12:542001 156 V6 vilkut lopettivat ajoittan toiminnan viime perjantaina. Ensin oli jonkun aikaa kokonaan toimimattomat, mutta sen jälkeen vilkkuminen alkoi "katkomaan" eli vilkun toiminta saataa loppua kesken vilkutuksen. Sulake ei voi olla syynä, kun osan ajasta toimii.
Onko muita vaihtoehtoja vialliseksi komponentiksi kuin vilkun rele, kun kesken vilutuksen saattaa lopettaa toiminan?
Syynä oli rele - ja koska siinä autossa oli VDC eikä matalaa relettä saanut mistään, piti ostaa halpa tarvikerele ja laittaa jatkojohdoilla sitten sulakerasian puolelle rele.

Alfauros-kianaaras
Air-cooled VW´s are cool too
- Aquatica
- Viestit: 15229
- Liittynyt: 01 Maalis 2010, 19:10
- Car(s): Nyxät:
Saparo Legacy 2.5 STW Boxer '12 "Perintö/Saparo2"
Citroén C5 1.8 16v '02 "Sinikka"
Ford Focus C-Max 1.6 '05 "Romu"
Exät:
Saparo Outback 2.0 Boxer diesel '11
Giulietta MA170 TCT '11
159 2.4JTDm Q4 SW '08
Giulietta MA170 TCT '11
159 2.4JTDm Q4 SW '07
Giulietta MA170 '11
159 2.4JTDm '06
MiTo 1.4 T-Jet 155 '09
156 2.4JTD '01
156 1.8TS "Super" '03
207 1.6HDi '06,
156 2.0TS '99 - Paikkakunta: Mikkeli
Re: Tyhmiä kysymyksiä 156:sta
Tosiaan jos hätävilkut toimivat normaalisti, katse viiksipaketin suuntaan.
Jos hätävilkut toimivat samalla tavalla kuin normaalit suuntavilkut, ehdottomasti rele. En tiedä onko siellä edes vaihtoehtoja muita siinä vaiheessa; ehkä joku maadotus?
Tässä vielä omaa historiikkia 1.8TS:stä:
Ohjeita vilkkureleeseen tästä ketjusta, tästä postauksesta oma prokkis:
viewtopic.php?p=436786#p436786
Tässä sitten projektiketjussa ollutta releiden kokomietintää:
viewtopic.php?p=436789#p436789
Noilla tiedoilla pitäisi vilkkurele vaihtua ilman ongelmia
Jos hätävilkut toimivat samalla tavalla kuin normaalit suuntavilkut, ehdottomasti rele. En tiedä onko siellä edes vaihtoehtoja muita siinä vaiheessa; ehkä joku maadotus?
Tässä vielä omaa historiikkia 1.8TS:stä:
Ohjeita vilkkureleeseen tästä ketjusta, tästä postauksesta oma prokkis:
viewtopic.php?p=436786#p436786
Tässä sitten projektiketjussa ollutta releiden kokomietintää:
viewtopic.php?p=436789#p436789
Noilla tiedoilla pitäisi vilkkurele vaihtua ilman ongelmia
- dnapekko
- Viestit: 660
- Liittynyt: 10 Helmi 2017, 15:02
- Car(s): GT 2,0 JTS -04; Thesis 3,2 -03; ex 156 SW JTS 2,0 -06, ex Brera 3,2 -06, ex 147 2,0 TS -07
Re: Tyhmiä kysymyksiä 156:sta
Ajelin kaikessa rauhassa 156:lla, kun huomasin sen herjaavan ABS- ja VDC-ongelmia näytössä, radiokin siinä häsäkässä taisi sammua, kuten pian koko auto liikenneympyrään. Sähköä tuntui puuttuvan kovasti, kun startti ei edes yrittänyt pyörittää konetta vaikka kokeilin kytke miinusnavanki kaapeilla suoraan koneen kylkeen. Vikakoodinlukija ei saanut yhteyttä, ja soitinkin sitten velipojalle, joka tuli Touaregillaan, ja kytki kaapelit Alfaparan akkuun. Jonkin aikaa siinä odoteltiin, ja pianhan Alfa starttasi iloisesti käyntiin. Mittasin akkujännitteen auton käydessä, remakat 8,4 volttia sieltä löytyi, sammuttamisen jälkeen 10,5. Siis taitaa olla laturi vainaa. Mutta, eikö näissä ole laturin merkkivaloa, kun ei sellaien ole silmään loimottanut? Autokin on tähän päivään saakka startannut ihan ok joka päivä. Mikähän olisi hyvä laturi, vaihtoehtoja näkyi monenlaisia alle satkusta kahteensataan Autodocilla, muu tarjonta on vielä tutkimatta.
Pekka Kajaanista
Chevyt Corvair-61 + Vega-74
Honda VF1000F2
Aprilia RST Futura 2001
Chevyt Corvair-61 + Vega-74
Honda VF1000F2
Aprilia RST Futura 2001
Re: Tyhmiä kysymyksiä 156:sta
Eikös siellä mittaristossa se akun kuva pitäisi olla punaisella.
Jos piuha on tippunut laturinpäästä irti, ei valoakaan ole
Jos piuha on tippunut laturinpäästä irti, ei valoakaan ole
-
centro style
- Viestit: 177
- Liittynyt: 05 Tammi 2019, 18:56
- Car(s): Alfa Romeo 156 V6
Re: Tyhmiä kysymyksiä 156:sta
Tai sitten vaan itse akku on nyt tullut tiensä päähän.....Itse kokeilisin laittaa akun yöksi lataukseen, ja sen jälkeen sitten kokeilu, että mitenkä pelaa, ja pysyykö akussa virrat.
- dnapekko
- Viestit: 660
- Liittynyt: 10 Helmi 2017, 15:02
- Car(s): GT 2,0 JTS -04; Thesis 3,2 -03; ex 156 SW JTS 2,0 -06, ex Brera 3,2 -06, ex 147 2,0 TS -07
Re: Tyhmiä kysymyksiä 156:sta
Joo, ei siis varoittanut millään akunkuvalla. Nyt on ollut yön laturissa, pitää iltapäivällä startata ja kokeilla, mitä napajännite näyttää. Akku on pari vuotta vanha, eikä pitäisi olla vielä ihan vainaja, mutta mistäs näistä tietää.... Onko noissa ollut montaa laturityyppiä?
Pekka Kajaanista
Chevyt Corvair-61 + Vega-74
Honda VF1000F2
Aprilia RST Futura 2001
Chevyt Corvair-61 + Vega-74
Honda VF1000F2
Aprilia RST Futura 2001
-
centro style
- Viestit: 177
- Liittynyt: 05 Tammi 2019, 18:56
- Car(s): Alfa Romeo 156 V6
Re: Tyhmiä kysymyksiä 156:sta
Minkälaista ajoa teillä on tuolla Alfalla?....Jos pääasiassa lyhyttä ajoa, niin ei ole ihme, että akku on mennyt lähes tyhjäksi....koska etenkin talviaikaan lyhyessä ajossa (puhallin ym. muita sähkölaitteita päällä)....Niin vaikka auton laturi olisikin kunnossa, niin se ei ehdi riittävästi ladata akkua, kulutukseen nähden.....dnapekko kirjoitti: ↑05 Maalis 2021, 07:37Joo, ei siis varoittanut millään akunkuvalla. Nyt on ollut yön laturissa, pitää iltapäivällä startata ja kokeilla, mitä napajännite näyttää. Akku on pari vuotta vanha, eikä pitäisi olla vielä ihan vainaja, mutta mistäs näistä tietää.... Onko noissa ollut montaa laturityyppiä?
Kannattaa mitata auton käydessä akun navoista, että paljonko laturi työntää virtaa akkuun (Päälle 14V jos tulee, niin silloin on täysin kunnossa).....(12V jos tulee, niin sekin vielä riittää).
Noista laturityypeistä en osaa sanoa, että onko näissä ollut useampaa eri versiota
- Aquatica
- Viestit: 15229
- Liittynyt: 01 Maalis 2010, 19:10
- Car(s): Nyxät:
Saparo Legacy 2.5 STW Boxer '12 "Perintö/Saparo2"
Citroén C5 1.8 16v '02 "Sinikka"
Ford Focus C-Max 1.6 '05 "Romu"
Exät:
Saparo Outback 2.0 Boxer diesel '11
Giulietta MA170 TCT '11
159 2.4JTDm Q4 SW '08
Giulietta MA170 TCT '11
159 2.4JTDm Q4 SW '07
Giulietta MA170 '11
159 2.4JTDm '06
MiTo 1.4 T-Jet 155 '09
156 2.4JTD '01
156 1.8TS "Super" '03
207 1.6HDi '06,
156 2.0TS '99 - Paikkakunta: Mikkeli
Re: Tyhmiä kysymyksiä 156:sta
Tuollahan luki, että auto käydessä 8.4.centro style kirjoitti: ↑05 Maalis 2021, 12:25
Kannattaa mitata auton käydessä akun navoista, että paljonko laturi työntää virtaa akkuun (Päälle 14V jos tulee, niin silloin on täysin kunnossa).....(12V jos tulee, niin sekin vielä riittää).
Noista laturityypeistä en osaa sanoa, että onko näissä ollut useampaa eri versiota![]()
Jos ei heräte toimi, ei laturi lataa - tuon *pitäisi* pystyä heräämään antamalla kierroksia tarpeeksi, mutta ei ole mitään takeita tietenkään siitäkään. Voi olla, että laturi yksinkertaisesti tullut tiensä päähän tai sitten se piuha on irti/poikki herätteelle; itse muistelen et silloin kyllä laturin valon pitäisi jäädä mittaristoon palamaan?
156:ssa on muistaakseni ollut 80, 100 ja 120A latureita. Sitä en tiedä, onko kaikissa koneversioissa sama runko, mutta ~140eurolla saanee kun vanhan rungon palauttaa ja Sparetolta taisi Delco-Remy maksaa jonkun 130e ilman vaihtolaitetta?
- dnapekko
- Viestit: 660
- Liittynyt: 10 Helmi 2017, 15:02
- Car(s): GT 2,0 JTS -04; Thesis 3,2 -03; ex 156 SW JTS 2,0 -06, ex Brera 3,2 -06, ex 147 2,0 TS -07
Re: Tyhmiä kysymyksiä 156:sta
Noniin, vuorokauden latauksen jälkeen auto käynnistyi, eikä taida ladata. Napajännite 12,77 ennen starttia, auton käydessä nyt 12,4. Laturinhan pitää työntää 13,5 ja 14 voltin kantturoissa. Ei näytä olevan helppo rasti tuon vaihto, mutta tehtävissä. Motonetilla ei ole saatavilla, Alvadi ei tunne JTS:n laturia, Autodocilla on sitten useampikin malli, samoin Sparetolla. Mikähän on alkuperäisen merkki?
Pekka Kajaanista
Chevyt Corvair-61 + Vega-74
Honda VF1000F2
Aprilia RST Futura 2001
Chevyt Corvair-61 + Vega-74
Honda VF1000F2
Aprilia RST Futura 2001
-
centro style
- Viestit: 177
- Liittynyt: 05 Tammi 2019, 18:56
- Car(s): Alfa Romeo 156 V6
Re: Tyhmiä kysymyksiä 156:sta
No joo...Latausjännite EI ole se mitä pitäisi....Eli laturin suuntaan katseet tässäkohtaa......Toki, jos ei nyt heti uutta laturia löydy, niin voihan tuon vanhan laturinkin kunnostuttaa jossain autosähköliikkeessä...Tämä siis yksi vaihtoehto 
- Aquatica
- Viestit: 15229
- Liittynyt: 01 Maalis 2010, 19:10
- Car(s): Nyxät:
Saparo Legacy 2.5 STW Boxer '12 "Perintö/Saparo2"
Citroén C5 1.8 16v '02 "Sinikka"
Ford Focus C-Max 1.6 '05 "Romu"
Exät:
Saparo Outback 2.0 Boxer diesel '11
Giulietta MA170 TCT '11
159 2.4JTDm Q4 SW '08
Giulietta MA170 TCT '11
159 2.4JTDm Q4 SW '07
Giulietta MA170 '11
159 2.4JTDm '06
MiTo 1.4 T-Jet 155 '09
156 2.4JTD '01
156 1.8TS "Super" '03
207 1.6HDi '06,
156 2.0TS '99 - Paikkakunta: Mikkeli
Re: Tyhmiä kysymyksiä 156:sta
Aditalta löytyy varmasti.
Todennäköisesti haluavat suoraan vanhan laturin rungon, josta katsovat tyyppikilvestä asioita ja sitäkautta etenee.
Todnäk löytyy yhtä nopeasti myös lähimmästä korjaamosta/varaosapuljusta.
Mielestäni JTS/TS ja JTD pitäisi kaikissa onnistua tasan samalla tavalla; alakautta. Ahdasta aivan varmasti on, eikä sopivia asentoja ole kuin tasan se yksi, jolla se sieltä läpi tulee.
Korjatkoon tietävämmät JTS:n osalta jos ei pidä kutinsa, tuosta ei itselläni ole mitään kokemusta.
Katsopas dnapekko ihan ePeristä osanumero ja etsi sillä. Fixus/AD voi olla pelastajana tässä.
Todennäköisesti 100 tai 120A laturi siellä nyt on ja sellainen sinne pitää tilallekin saada, mutta kuitenkin ne piuhojen kunnot eka!!!
Mulla oli JTD:ssä plussanapa poikki akun päästä ja se aiheutti aika eksoottisia ongelmia. Vaihdoin sitten kaikki maa- ja päävirtakaapelit ja ero oli huomattava. Nuo on ihan vaihdettavissa motonetin johtoon ja itse tehtyihin liittimiin
Todennäköisesti haluavat suoraan vanhan laturin rungon, josta katsovat tyyppikilvestä asioita ja sitäkautta etenee.
Todnäk löytyy yhtä nopeasti myös lähimmästä korjaamosta/varaosapuljusta.
Mielestäni JTS/TS ja JTD pitäisi kaikissa onnistua tasan samalla tavalla; alakautta. Ahdasta aivan varmasti on, eikä sopivia asentoja ole kuin tasan se yksi, jolla se sieltä läpi tulee.
Korjatkoon tietävämmät JTS:n osalta jos ei pidä kutinsa, tuosta ei itselläni ole mitään kokemusta.
Katsopas dnapekko ihan ePeristä osanumero ja etsi sillä. Fixus/AD voi olla pelastajana tässä.
Todennäköisesti 100 tai 120A laturi siellä nyt on ja sellainen sinne pitää tilallekin saada, mutta kuitenkin ne piuhojen kunnot eka!!!
Mulla oli JTD:ssä plussanapa poikki akun päästä ja se aiheutti aika eksoottisia ongelmia. Vaihdoin sitten kaikki maa- ja päävirtakaapelit ja ero oli huomattava. Nuo on ihan vaihdettavissa motonetin johtoon ja itse tehtyihin liittimiin
- TonninAlfa
- Viestit: 526
- Liittynyt: 11 Heinä 2017, 18:54
- Car(s): -04 156 FL V6 (kesä)
-05 156 SW FL JTS (käyttis)
-03 156 JTS (rata)
sekä 1-n projektia - Paikkakunta: Akaa/Viiala
Re: Tyhmiä kysymyksiä 156:sta
Alkuperäinen JTS:n laturi on muutaman näköhavainnon perusteella Bosch ja 90A. Tässä 05-mallisesta puretun osanro: 0 124 325 060. Alfaworkshopin kataloogista löytyy tutummaksi osanumeroksi 51859642
Projektieni yhteydessä yhden laturin olen vaihtanut, mutta siihen sisältyi myös apurungon vaihto joten sen tiimoilta tilaa alakautta puuhasteluun oli kiitettävästi.
Projektieni yhteydessä yhden laturin olen vaihtanut, mutta siihen sisältyi myös apurungon vaihto joten sen tiimoilta tilaa alakautta puuhasteluun oli kiitettävästi.
Money well spent? Well, money spent...
- Naamapalmu
- Viestit: 349
- Liittynyt: 12 Huhti 2012, 15:49
- Car(s): 156 2.0 T.Spark
- Paikkakunta: Helsinki
Re: Tyhmiä kysymyksiä 156:sta
Nhoniin taas höyrypilvessä kadun varressa. Ei vieläkään itse pahvi vaan tarvikesyylärissä vikaa ainakin, höyryt nousee syylärin tienoilta ja puskurin alaosa märkä. Lämmöt mittarin mukaan 90C, vedet sisällä, ei ylimääräistä painetta paisarissa ja alavesiletku toistaseks pysyny macgyver-viritelmällään.centro style kirjoitti: ↑03 Helmi 2021, 13:42Ei välttämättä kestä, kun massaläjällä liimattu kiinni....Toki, kestää aikansa varmasti, mutta jossainkohtaa joudutte syventymään tähän uudestaanNaamapalmu kirjoitti: ↑02 Helmi 2021, 18:05Täytin vedellä ja käytin korjaamolla syynättävänä -> ilmeisesti ei vielä mennyt kansipahvi ja nyt se letku on sitte liimattu massaläjällä siihen nysään missä olis pitänyt olla pikaliitinkulma. Tää yksilö senku paranee vanhetessaan![]()
![]()
Sitte kysymykseen: Mistäköhän mahtais saada orkkis alavesiletkun ja syylärin 156 tessuun?
Through difficulties to defeat
- TeroV.
- Viestit: 538
- Liittynyt: 03 Maalis 2003, 15:47
- Car(s): Giulietta T-JET 2012
156 SW 2.4 JTDm 20V 2005
GT 1.9 JTDm 16V 2007
Lancia Delta 2.0 Multijet 2008
Aprilia RST 1000 Futura 2004 - Paikkakunta: Ylöjärvi
Re: Tyhmiä kysymyksiä 156:sta
Onko kenelläkään tietoa, mikä komponentti pitäisi 156 FL:n kojelaudan päällä olevasta infonäytöstä vaihtaa, jotta se heräisi kylmemmälläkin kelillä heti virrat päälle kytkettäessä töihin? Tuossa -05 dieselissä infonäyttö käynnistyy talvikeleillä vasta parin-kolmenkymmenen kilometrin ajon jälkeen, eli kun kabiinissa alkaa olla kunnolla lämpöä. Kesäkelillä ongelmaa ei ole, eli joku lutikka infonäytössä ei kylmästä tykkää. Käynnistyminen tapahtuu lämpenemisen myötä samalla tavoin kuin virrat päälle kytkettäessä erilaisia tsekkauksia tehden. Näytöstä ei siis ole vain valot poissa, vaan se boottaa lämmettyään aivan samoin kuin virrat päälle laitettaessa. Sitten kun näyttö käynnistyy, se ei millään tavalla pätki tms.
Joskus aiemmin vaihdoin infonäyttöön jo LCD-paneelin, kun siinä oli pikselipuutteita, mutta tuo vaihto ei vaikuttanut näytön käynnistymiseen suuntaan tai toiseen. Pikseliongelmat kyllä näyttöpaneelin vaihdossa korjaantuivat.
Joskus aiemmin vaihdoin infonäyttöön jo LCD-paneelin, kun siinä oli pikselipuutteita, mutta tuo vaihto ei vaikuttanut näytön käynnistymiseen suuntaan tai toiseen. Pikseliongelmat kyllä näyttöpaneelin vaihdossa korjaantuivat.
Re: Tyhmiä kysymyksiä 156:sta
Voisko koittaa kylmäsprayllä kokeilla, saako pimenemään? Omassa sama vika, lämmetessään toimii ihan ok.
Re: Tyhmiä kysymyksiä 156:sta
Kytkentäkaavio esille ja nousujännitteet tarkastukseen, jos toiminta on tuon kaltainen! Virtalukon takainen jännite ei kytkeydy kuin lämmettyään, liitinvika?
- TeroV.
- Viestit: 538
- Liittynyt: 03 Maalis 2003, 15:47
- Car(s): Giulietta T-JET 2012
156 SW 2.4 JTDm 20V 2005
GT 1.9 JTDm 16V 2007
Lancia Delta 2.0 Multijet 2008
Aprilia RST 1000 Futura 2004 - Paikkakunta: Ylöjärvi
Re: Tyhmiä kysymyksiä 156:sta
Mistä tuo kytkentäkaavio löytyy?
Onhan siellä iso moninapaliitin matkan varrella, muttei ainakaan sen heiluttelu tai kääntely auta tähän vaivaan. Ihan kuin joku elektroniikkakomponentti kaipaisi nykyään enemmän lämpöä toimiakseen kuin uutena. Voihan syyllinen tietysti juotosvikakin piirilevyllä olla, mutta silmämääräisesti sellaista on vaikea havaita. Juotosvian luulisi kyllä oireilevan silloin tällöin lämpimänäkin, mutta tämä vaiva esiintyy vain kylmänä, töihin alettuaan näyttö toimii ihan hyvin.
- dnapekko
- Viestit: 660
- Liittynyt: 10 Helmi 2017, 15:02
- Car(s): GT 2,0 JTS -04; Thesis 3,2 -03; ex 156 SW JTS 2,0 -06, ex Brera 3,2 -06, ex 147 2,0 TS -07
Re: Tyhmiä kysymyksiä 156:sta
Minä olen ollut koko ajan siinä uskossa, että se on ominaisuus 
Pekka Kajaanista
Chevyt Corvair-61 + Vega-74
Honda VF1000F2
Aprilia RST Futura 2001
Chevyt Corvair-61 + Vega-74
Honda VF1000F2
Aprilia RST Futura 2001
Re: Tyhmiä kysymyksiä 156:sta
Saapasmaassa ei koskaan niin kylmä, että pimenis. Ei ole käyty Ivalossa testaamassa. 
Re: Tyhmiä kysymyksiä 156:sta
Kun näyttö kirkastuu hitaasti kylmällä, on se tämän näytön ominaisuus, mutta kun kaikki alkaa viiveellä alusta, kuten TeroV kertoi, pitäisin sitä eri asiana. Se infocenter aloittaa toimintansa, kun virta käännetään päälle, jos tämä tunnistetaan vaikka 30min kuluttua, pitäisin sitä vikana, jolloin purkki ei tunnista INT-jännitettä tarpeeksi voimakkaana heti.
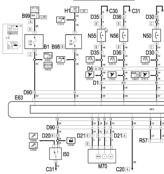
Virtapiiri kulkee virtalukolta H1 INT-navasta lisäsulakerasialle B98 F4 10A (varsinaisen sulakerasian yläpuolella) oranssi/musta johdinta pitkin ja sieltä edelleen oranssi/valkoinen johdinta pitkin tälle 20-napaiselle D90 14 liittimelle kojelaudan alle hanttarin puolelle ja siitä edelleen info-purkille.
Toinen on tietysti maadoitus, samaisen 20-napaisen liittimen 12 navan kautta musta/punaista johdinta pitkin kojelauden oik. päässä olevaan maa-pisteeseen.
Korjaamokirjoja täällä joku myy kohtuuhinnalla!
Ruottissa on testattu
Virtapiiri kulkee virtalukolta H1 INT-navasta lisäsulakerasialle B98 F4 10A (varsinaisen sulakerasian yläpuolella) oranssi/musta johdinta pitkin ja sieltä edelleen oranssi/valkoinen johdinta pitkin tälle 20-napaiselle D90 14 liittimelle kojelaudan alle hanttarin puolelle ja siitä edelleen info-purkille.
Toinen on tietysti maadoitus, samaisen 20-napaisen liittimen 12 navan kautta musta/punaista johdinta pitkin kojelauden oik. päässä olevaan maa-pisteeseen.
Korjaamokirjoja täällä joku myy kohtuuhinnalla!
Ruottissa on testattu
Viimeksi muokannut seppo, 29 Maalis 2021, 07:49. Yhteensä muokattu 2 kertaa.
- TeroV.
- Viestit: 538
- Liittynyt: 03 Maalis 2003, 15:47
- Car(s): Giulietta T-JET 2012
156 SW 2.4 JTDm 20V 2005
GT 1.9 JTDm 16V 2007
Lancia Delta 2.0 Multijet 2008
Aprilia RST 1000 Futura 2004 - Paikkakunta: Ylöjärvi
Re: Tyhmiä kysymyksiä 156:sta
Kiitos! Meikäläiselle sulakkeet ja johdinten värit riittävät oikein hyvin vianetsintään. Ellei virransaannissa tai maadoituksessa ole ongelmaa, niin sitten pitää laittaa infonäyttö uudelleen atomeiksi ja katsella, mitkä komponentit siellä ensimmäisinä virtaa tai maata ovat vastaanottamassa.
- JaniW
- Viestit: 878
- Liittynyt: 06 Maalis 2008, 21:29
- Car(s): Clio ja sähkö-PNV (joskus sit taas...)
- Paikkakunta: Jyväskylä
Re: Tyhmiä kysymyksiä 156:sta
Tiputtelee öljyä jakopään puolelta renkaan lähelle (pohjalevy ei ole paikallaan). Kävi ilmi kun oli kuukauden seisonut paikallaan tallissa. Vaikuttaisi ennemmin moottori- kuin tehostinöljyltä. Valistuneita arvauksia mistä voisi vuotaa?
CARF0869
-
centro style
- Viestit: 177
- Liittynyt: 05 Tammi 2019, 18:56
- Car(s): Alfa Romeo 156 V6
Re: Tyhmiä kysymyksiä 156:sta
Öljypohjantiiviste....Kampiakselin stefa, nämä siis siellä koneen alaosassa olevat mahdolliset vuotopaikat.....Mutta voi vuotaa myös ylempää, koska öljyvana osaa kulkea koneen pintaa pitkin
...Jos vuoto on jakopään sisällä (Kampiakselin tai nokka-akselin stefa), ja öljy on kastellut jakohihnan, niin ei kannata liikaa ajella, vaan jakopää uusiksi+stefat.
- Alfissimo
- Viestit: 8707
- Liittynyt: 20 Tammi 2004, 02:55
- Car(s): Arkeen Giulietta JTDm ja 147 2.0
Aikaa odottaa kolmen polkimen 166 3.0
Kourajonossa 156 x5, 166 x2 - Paikkakunta: Hollola-Lahti +lähialueet
Re: Tyhmiä kysymyksiä 156:sta
Venttiilikopan vuoto voi hyvinkin tulla pienellä viiveellä alas asti. Toki tarvii tihkumista isomman vuodon läikkää varten.
Öljynsuodattimen seutu kannattaa katsoa.
Öljynsuodattimen seutu kannattaa katsoa.
Poikamiehen on helpompi löytää itselleen hyvä nainen, kuin ruosteeton 156.
- Pomigliano
- Viestit: 125
- Liittynyt: 13 Loka 2008, 16:52
- Car(s): EX Alfat: Sprint Coupe x2, 156 2,4 jtd 10 V x2, 156 2,4 Jtd 20V MJet -06,
GT 1,9 JTD -06. - Paikkakunta: Ruovesi
Re: Tyhmiä kysymyksiä 156:sta
Kallistuksenvakaajasta kysymys. JTD kone kyseessä mutta proseduuri sama lienee kaikissa. Onko mahdollista irroittaa kallistuksenvakaaja irroittamatta apurunkoa ? Pitäisi vakaajan puslat uusia ja ajattelin irroittaa koiranluista vakaajan päät ja vakaajan neljä pulttia apurungon alta jotka samalla ovat pantojen kiinnitykset. Jos vakaajan mahtuisi vetää pituus suunnassa pyöräkotelosta pihalle ja saisi uusittua pannat kiinnittimineen.