4C 1750 tbi moottoriongelma!

Täältä kannattaa hakea tyyppivikoja ja tehdä hyvin otsikoituja selkeitä tekniikkakysymyksiä ilman rönsyjä.

Valvoja: Moderators

Vastaa Viestiin
timodeus
Viestit: 20
Liittynyt: 12 Loka 2025, 12:35
Car(s): ex. 2x Berlina 1971

4C 1750 tbi moottoriongelma!

Viesti Kirjoittaja timodeus »

Tervehdys kaikille!

Sain mielenkiintoisen haasteen, mutta näyttää etten selviä siitä kovin helposti täysin omin neuvoin....

Tilanne alkoi siitä, että yksi belgialainen ystäväni otti minuun yhteyttä, koska hänen tuttavansa oli vaihtanut omatoimisesti nokkahihnan 4C:nsä.
Kyseessä on 2017 mallin 4C 1750 tbi koneella. Ajettu 38 tkm.
Kun menin paikalle, kaveri selitti, ettei auto ota kierroksia. No tutkin sitä aikani ja päättelin, ettei hihnan asennusta ollut tehty kaikkien taiteen sääntöjen mukaan. Siispä löin ajoitustyökalut kiinni ja ainakin imunokka oli pikkuisen pielessä. Tein asennuksen niin kuin se pitäisi tehdä netistä löytyvien ohjeiden mukaisesti, eli kampiakseli kiinni, sitten nokat, nokkien pulttien löysäys ja hihna paikoilleen, kiristimen kiristys ja kaksi kierrosta, sen jälkeen uudestaan työkalut kiinni ja kiristimen säätö oikealle kohdalle. Nokat kireyteen 60Nm+25 astetta, työkalut pois ja vielä pari kierrosta moottoria ympäri ja vielä yksi tarkastus.
Mutta kun koneen tämän jälkeen käynnisti, niin ei edelleenkään ei ottanut kierroksia. Ei vikakoodeja. Heti käynnistyksen jälkeen jos sopivasti pumppas kaasua, niin sai kierrokset nousemaan, muttei se oikein toiminut.
Kun otin imunokan mikäseon öljynpaineensäätimen johdon irti, otti vähän paremmin kierroksia. Mutta kaasuun vastaavuus oli kuin vanhassa dieselissä.

Onko kellään ideaa, mikä koneessa voisi olla? Kun sen käynnistää kylmänä +20 C, niin kestää mielestäni liian kauan, ennen kuin käynti alkaa kuulostamaan normaalilta ts. öljynpaineet nousee kohdilleen.
Luin jostain ulkomaiselta foorumilta, että näissä koneissa on ollut sellaista ongelmaa, että imee öljyn sekaan ilmaa, jos öljypumpun imupuolen tiiviste falskaa.Voisiko olla se?? Ihmeellisesti vika tuli vaan samaan aikaan nokkahihnan vaihdon yhteydessä. Kaveri oli myös samaan aikaan vaihtanut öljyt.. Onko tämä kovin tarkka kone öljystä?

Olisin kiitollinen, jos joltain irtoisi vinkki miten pääsisin eteenpäin. :)

https://youtube.com/shorts/fGk21GQ9D-A

seppo
Viestit: 1386
Liittynyt: 30 Kesä 2008, 14:27
Paikkakunta: Vantaa

Re: 4C 1750 tbi moottoriongelma!

Viesti Kirjoittaja seppo »

Helpoin vinkki on, että toimittaa auton merkkikorjaamolle! Olin merkin kanssa töissä 15v ja opin että vianhaku on tehtävä systemaattisesti ja asiantunteva tieto on oltava ko autosta, älä ota tätä arvosteluna.
Siellä nurkilla, mm alankomaissa, oli ja varmaan on edelleen euroopan pätevin Alfa tietämys koska uudet mallit toimitettiin juuri Alfan omille pisteille ensimmäisinä ja monesti sieltä sai korjausohjeet ym ennen kuin tehdas edes oli saanut asiaa tiedotteelle.
No itse asiaan, sanoit että vikamuisti oli tyhjä jolloin pitä ajatella niitä vaihtoehtoja jotka voisi tehdä tämän mutta ei ilmoita vikakoodia siitä? Oliko kunnon testeri käytettävissä, tekniset sähkökaaviot ja pätevä mekaanikko? Arvaamalla on vaikea ellei mahdoton tuollaista ratkaista, usein vaatii vertailuauton mukaan jotta tietää oikean toiminnan.
No ajoituksesta se ei ehkä johdu, sille on diagnoosi itsessään. Ilman sisäänmeno, ilmäärä, pakoputki, tuntuuko puhaltavan joutukäynnillä. Lopuksi korkeat polttoaineen paineet, epäilen että tässäkin on suoraruiskutus jolloin moottori käynnistyy siirtopumpun paineella mutta ei ota kierroksia joka vaatisi jo painetta 30-50 bar jopa 100bar kierroksilla järjestelmästä riippuen! Tässä olisi yksi vaihtoehto, mutta viisainta olisi hinata auto korjaamolle!
Jk. jos testerissä on oikea järjestelmä, parametreistä löytyy mm p-järjestelmän paine, virta päällä 3-4bar ja käynnistyttyään korkeampi paine!
Eli tässä moottorissa on polttoaineen korkeapainepumppu moottorissa, paineensäädin ja painetunnistin jakoputkessa, kuten epäilinkin. Tosin kyllä vikamuistiin pitäisi kirjautua tämä painevika? Toimiko auto ennen remontteja normaalisti?
Viimeksi muokannut seppo, 13 Loka 2025, 15:32. Yhteensä muokattu 4 kertaa.

timodeus
Viestit: 20
Liittynyt: 12 Loka 2025, 12:35
Car(s): ex. 2x Berlina 1971

Re: 4C 1750 tbi moottoriongelma!

Viesti Kirjoittaja timodeus »

Kiitos asiallisesta vastauksesta.
Koko ongelmaa ei olisi edes syntynyt, jos auto olisi heti kättelyssä viety merkkikorjaamolle.
Mutta kun olemme Espanjassa itärannikolla, jossa ei ole edes olemassa Alfan edustusta, puhumattakaan merkikorjaamosta. Omistaja oli kiertänyt useita korjaamoita, joista kukaan ei ollut suostunut vaihtamaan nokkahihnaa ja siksi oli päätynyt tekemään operaation itse.
Tein moottorille myös puristuspainetestin varmuuden vuoksi, mutta hyvin nosti painetta joka sylinterissä.
Testerinä mulla on iCarsoft max, jolla kyllä näkee jos jonkinlaista anturidataa ja niitä yritin vähän katsella ja tallensinkin muutamia arvoja, mutta kun en omaa kovin tuoretta Alfa kokemusta, niin niiden tulkinta on hiukan haastavaa.

Tuota polttoaineen painetta ajattelin vähän itsekin, mutta mittari millä niitä joskus mittasin on hukkunut, kun ei ole tullut bensa-autoja ruuvattua ihan hetkeen. Pitää katsoa saisiko tuosta testeristä ulos noita polttoaineen paineita.

Avatar
Alfistipohjoosesta
Viestit: 5097
Liittynyt: 03 Maalis 2003, 11:14
Car(s): Ex: Alfetta sedan, 33, 75 Turbo, Sprint, 164 ts, 166 t.s
Alla: Spider -88. "Hopeinen kuu" , 159 2.4 Qrtr SW -09, Mito QV -10
Paikkakunta: Loimaa
Viesti:

Re: 4C 1750 tbi moottoriongelma!

Viesti Kirjoittaja Alfistipohjoosesta »

Oletko tarkistanut kaikki paikat mihin koskettu ekassa remontissa? Ilmuletkut, pistokkeet yms? Ja ajoitustyökalut laadukkaat ja juuri tuohon malliin?
Spider 1988, 159 SW 2.4, Mito QV(ex. GTV6, 166 t.s, 164 t.s, 75 Turbo, 33, Alfetta ja Sprint)

Avatar
mutt
Viestit: 5937
Liittynyt: 08 Kesä 2004, 22:34
Car(s): Lanciat: Delta 1.6 Multijet -09, Flavia Milleotto -69, Flaminia Berlina 2.8 -63 + mastapikkari -96 ja Dexta -60

Re: 4C 1750 tbi moottoriongelma!

Viesti Kirjoittaja mutt »

Mallia yhtään tuntematta: Onkohan mahdollista, että moottorinohjaus on oppinut remontin jälkeen pielessä olleelle jaolle parhaiten sopineet parametrit, ja pitäisi nyt saada resetoitua? Onnistuuko näissä vielä irrottamalla akunkenkä puoleksi tunniksi, ja sitten käyntiin ja tyhjäkäyntiä kunnes flekti käynnistyy?
Joka lumiharjaa säästää, se autoaan vihaa
Miesten ja poikien lelut erottaa vetokoukusta

Avatar
Alfistipohjoosesta
Viestit: 5097
Liittynyt: 03 Maalis 2003, 11:14
Car(s): Ex: Alfetta sedan, 33, 75 Turbo, Sprint, 164 ts, 166 t.s
Alla: Spider -88. "Hopeinen kuu" , 159 2.4 Qrtr SW -09, Mito QV -10
Paikkakunta: Loimaa
Viesti:

Re: 4C 1750 tbi moottoriongelma!

Viesti Kirjoittaja Alfistipohjoosesta »

Spider 1988, 159 SW 2.4, Mito QV(ex. GTV6, 166 t.s, 164 t.s, 75 Turbo, 33, Alfetta ja Sprint)

timodeus
Viestit: 20
Liittynyt: 12 Loka 2025, 12:35
Car(s): ex. 2x Berlina 1971

Re: 4C 1750 tbi moottoriongelma!

Viesti Kirjoittaja timodeus »

Alfistipohjoosesta kirjoitti:
13 Loka 2025, 10:48
Oletko tarkistanut kaikki paikat mihin koskettu ekassa remontissa? Ilmuletkut, pistokkeet yms? Ja ajoitustyökalut laadukkaat ja juuri tuohon malliin?
Kyllä työkalut olivat juuri tuon näköiset, ilman Moparin leimoja. Sopivat aika hyvin paikoilleen. Kaveri tunnusti, ettei ollut kiinnittänyt niitä ruuveilla...

Akku on ollut pitkiä aikoja pois, mutta konetta ei ole käytetty niin pitkään tyhjäkäynnillä, että flekti olisi käynnistynyt. Tuotahan voisi kokeilla.

timodeus
Viestit: 20
Liittynyt: 12 Loka 2025, 12:35
Car(s): ex. 2x Berlina 1971

Re: 4C 1750 tbi moottoriongelma!

Viesti Kirjoittaja timodeus »

Mysteeriin lisää päivitystä.
Kokeilin mutt:in vinkkiä. Annoin auton käydä tyhjäkäyntiä, kunnes 93 asteessa lähti flekti pyörimään. Seurailin siinä anturidataa ja koneen käyntiä, niin vaikutti että ensimmäiset alle 10 min. moottori kävi eri tavalla, tuntui että välillä sääti jotain ja käynti muuttui. Tätä tapahtui useamman kerran. Sitten käynti tasaantui ja kävi aivan tasaisesti.
Kun flekti oli käynnistynyt, menin painelemaan kaasua ja kappas moottori vastasi kaasuun ihan normaalin oloisesti. Toki en ole koskaan päässyt kokeilemaan vastaavaa kunnossa olevaa, mutta selvästi paremmin toimi kuin aiemmin, eikä meinannut "tukehtua", kuten aiemmin kaasua pumpatessa.
Mutta kun sammutin ja käynnistin uudelleen, sama ongelma jatkui kuin aiemminkin.
Siinä on vielä sellainen erikoinen ilmiö, että kun painat kaasua, niin se nostaa kierroksia n. 100 k/min ja heti sen jälkeen ikään kuin katkaisisi syötön ja moottori melkein sammuu, kunnes hörähtää jälleen käymään.
Niin ja polttoaineen paineista tuskin on kiinni, kun ne pyörii tyhjäkäynnissä 50 barin tuntumassa ja heti kun kaasua vähänkin painaa niin nousee yli 70 bariin.

Avatar
Alfistipohjoosesta
Viestit: 5097
Liittynyt: 03 Maalis 2003, 11:14
Car(s): Ex: Alfetta sedan, 33, 75 Turbo, Sprint, 164 ts, 166 t.s
Alla: Spider -88. "Hopeinen kuu" , 159 2.4 Qrtr SW -09, Mito QV -10
Paikkakunta: Loimaa
Viesti:

Re: 4C 1750 tbi moottoriongelma!

Viesti Kirjoittaja Alfistipohjoosesta »

Ei MES sais opitut arvot nollattua?
Spider 1988, 159 SW 2.4, Mito QV(ex. GTV6, 166 t.s, 164 t.s, 75 Turbo, 33, Alfetta ja Sprint)

seppo
Viestit: 1386
Liittynyt: 30 Kesä 2008, 14:27
Paikkakunta: Vantaa

Re: 4C 1750 tbi moottoriongelma!

Viesti Kirjoittaja seppo »

Nyt selvästi ohjainlaite alkoi keräämään uusia moottorin itseoppimisparametrejä, mutta ei jostain syystä tallentanut niitä vielä.
Polttoainejärjestelmä on varmaan Bosch-joku, monesti niiden oppimistietojen sekoaminen on mysteeri myös tehtaalle, muistan yhden konsernin toisen merkin tiimoilta tapauksen jossa auto ei jaksanut käydä joutokäyntiä vaikka miten sitä yritettiin opettaa käymään testerin ja tehtaan ohjeiden mukaan. No, autoon pyydettiin tekemään lopuksi ecun "täydellinen" tyhjennys seuraavan ohjeen mukaan;
- Irroittakaa molemmat liittimet, akku sekä ecu hetkeksi
- kiinnittäkää sen jälkeen molemmat takaisin, akku sekä moottorin ecu
- virta päälle vähintään 90 sek ajaksi (kaikki ylimääräiset kuluttajat pois kytkettynä)
- virta pois vähintään 90 sek ajaksi
- virta päälle ja käynnistä auto ja anna sen käydä joutokäyntiä kunnes puhallin kytkeytyy
- aja autolla vaihtelevasti 5...10min moottorin itseoppimisparametrien keräämiseksi.

Tämä ohje tuli tehtaalta 20v sitten, mutta monesti ne saattavat päteä tänäkin päivänä, se toinen tapaus, josta kerroin tuli täysin kuntoon?

A Bart
Viestit: 1902
Liittynyt: 01 Joulu 2007, 08:52
Paikkakunta: Pori

Re: 4C 1750 tbi moottoriongelma!

Viesti Kirjoittaja A Bart »

seppo kirjoitti:
15 Loka 2025, 16:19
Nyt selvästi ohjainlaite alkoi keräämään uusia moottorin itseoppimisparametrejä, mutta ei jostain syystä tallentanut niitä vielä.
Polttoainejärjestelmä on varmaan Bosch-joku, monesti niiden oppimistietojen sekoaminen on mysteeri myös tehtaalle, muistan yhden konsernin toisen merkin tiimoilta tapauksen jossa auto ei jaksanut käydä joutokäyntiä vaikka miten sitä yritettiin opettaa käymään testerin ja tehtaan ohjeiden mukaan. No, autoon pyydettiin tekemään lopuksi ecun "täydellinen" tyhjennys seuraavan ohjeen mukaan;
- Irroittakaa molemmat liittimet, akku sekä ecu hetkeksi
- kiinnittäkää sen jälkeen molemmat takaisin, akku sekä moottorin ecu
- virta päälle vähintään 90 sek ajaksi (kaikki ylimääräiset kuluttajat pois kytkettynä)
- virta pois vähintään 90 sek ajaksi
- virta päälle ja käynnistä auto ja anna sen käydä joutokäyntiä kunnes puhallin kytkeytyy
- aja autolla vaihtelevasti 5...10min moottorin itseoppimisparametrien keräämiseksi.

Tämä ohje tuli tehtaalta 20v sitten, mutta monesti ne saattavat päteä tänäkin päivänä, se toinen tapaus, josta kerroin tuli täysin kuntoon?
Noin mä oon opettanu kaikki italiaanoni aina kun akku on ollut irti yli vartin.
Paitsi että sammuttanut kun flekti sammuu minuutiksi.
Ja sitten vasta PUITA

seppo
Viestit: 1386
Liittynyt: 30 Kesä 2008, 14:27
Paikkakunta: Vantaa

Re: 4C 1750 tbi moottoriongelma!

Viesti Kirjoittaja seppo »

Jos lähdetään siitä, että käytettävissä oleva testeri pitää sisällään oikean merkin, mallin ja polttoainejärjestelmän niin onhan se tietysti varmin tapa lähteä eteenpäin sitä kautta. Testerin valikosta on haettava, (en henkilökohtaisesti ole tähän ohjelmaan tutustunut, mutta oletan sieltä löytyvän nämä normaalit):
ACTIVE DIAGNOSIS sen alta
ZEROING OF SELF-ADAPTION PARAMETERS
Kun itseoppimisparametrit on nollattu alkuperäiset tehdasarvot jäävät ohjainlaitteeseen. Annettavien ohjeiden mukaan jatka eteenpäin.
Jos tätä toimintaa ei testeristä löydy, niin pitää hakea paikka jossa se on käytettävissä.Aina pitää muistaa, että autoon on myös voinut tullut uusi parannettu ohjelmaversio, joka on ajettava testerillä autoon. Ehkä kannattaa ottaa yhteys firmaan joka on auton aikanaan myynyt asiakkaalle uutena ja kysyä siitä, jos ei ala muuten selviimään!

timodeus
Viestit: 20
Liittynyt: 12 Loka 2025, 12:35
Car(s): ex. 2x Berlina 1971

Re: 4C 1750 tbi moottoriongelma!

Viesti Kirjoittaja timodeus »

Kiitos näistä uusista vinkeistä!

Työt meinaa haitata "harrastuksia", mutta tänään pääsen taas Alfan kimppuun ja kokeilen näitä kikkoja.
Viimeksi oliko torstaina juuri tein testerillä kaikki adaptaatioitten nollaukset, mitä sillä pystyi tekemään. Yksi niistä ei mennyt läpi, mutten enää muista mikä se oli, kun oli niin kiire. Mutta kokeilen taas tänään ja informoin sitten tänne mitä kävi.

timodeus
Viestit: 20
Liittynyt: 12 Loka 2025, 12:35
Car(s): ex. 2x Berlina 1971

Re: 4C 1750 tbi moottoriongelma!

Viesti Kirjoittaja timodeus »

Erikoinen on.
Tein nämä kaikki toimenpiteet, odotin kärsivällisesti kun kone lämpeni kylmästä kuumaksi ja flekti käynnistyi ja sammui, sitten sammutin moottorin ja kun käynnistin, niin sama homma jatkuu. Otin muutamia videoita.
Yhdessä vaiheessa hetken aikaa vastasi kaasuun normaalisti, mutta sitten taas palasi alkutilaan.
Sitten alkoi tekemään kaikenmoisia vikakoodeja, mitä ei aiemmin ole tullut. Kun nollasin ne, niin eivät tulleet uudestaan, mutta sitten tuli toisia. Voivathan ne liittyä adaptaatioiden nollaukseenkin.
Yksi vikakoodi tulee aina vaan uudestaan laturista, vaikka lataa ihan hyvin.
IMG_6288 (1).jpeg
IMG_6288 (1).jpeg (67.58 KiB) Katsottu 2148 kertaa
Sitten kun otin imunokan säätimen piuhan irti, niin se ei vaikuttanut käyntiin tai kierroksien nousuun oikeastaan mitenkään. Mutta sitten kun irroitin pakonokan säätimen liittimen, niin tyhjäkäynti muuttui vähän "rosoisemmaksi" ja alkoi ottamaan kierroksia, ei ihan normaalisti, mutta otti kuitenkin.Eli käyttäytyi täysin päinvastoin kuin aiemmin. Silloin pakosäätimen irroitus ei vaikuttanut, mutta imunokan vaikutti.
Olis kiva päästä kokeilemaan samanlaista moottoria ja katselemaan arvoja, mutta ainakaan näitä 4C:tä ei ihan joka kadunkulmassa täällä seisoskele.Eikä kyllä muitakaan Alfoja.

Tässä videossa imunokan säätimen liitin on irti.
Tässä videossa pakonokan säätimen liitin on irti.
Tässä on ns. perustila, eli ei ota kierroksia.

Avatar
Polforea
Viestit: 12036
Liittynyt: 21 Kesä 2011, 01:17
Car(s): XF
159 Berlina
159 Berlina
348TB
350i DHC
4C 1:24 TBi
Paikkakunta: Viiva-k-fisu

Re: 4C 1750 tbi moottoriongelma!

Viesti Kirjoittaja Polforea »

TBi:tä ja 4C:n konetilaa&johtosarjaa tuntematta: onko ne vvt-solenoidit samanlaisia ja vierekkäin? Voiko niiden johdot olla ristissä?

Yllättävästä vikakoodisumasta, kun autoa nyt on käynnistelty ja käytelty lyhyitä aikoja, niin onhan akkua ladattu erikseen? Sehän voi ruveta vajuun tämmösessä tutkinnassa aika hyvinkin.
Tekemällä mitä haluaa oppii tekemään mitä haluaa.

seppo
Viestit: 1386
Liittynyt: 30 Kesä 2008, 14:27
Paikkakunta: Vantaa

Re: 4C 1750 tbi moottoriongelma!

Viesti Kirjoittaja seppo »

Laturin+ kaapelin häiriö viittaa sähkövikaan, akun +kaapelissa on varmaan automaattisulake cut-off joka suojelee järjestelmää vauriotilanteissa, onko se viritetty uudelleen ja toimiiko se? Vähän samanlainen kuin inertiakytkin kuskin jalkatilassa, jonka myös voit tarkastaa! Tuo vikakoodi P0621-93 antaa jotain osviittaa ja se on aktiivinen vika?
Toinen vika P0597-13 viittaa termostaatin virtapiiriin, jolloin varmaan puhallin pyörii kokoajan! Vika on poistunut jo. Sähköisiin ongelmiin molemmat!
Vioista saa yksityiskohtaisempaa tietoa kun menee errors sivulle ja klikkaa details niin joka viasta saa viisi tietoa, milloin se on tullut (vikalaskurin aleneman mukaan) ja siihen liittyvät parametritiedot.

Avatar
mutt
Viestit: 5937
Liittynyt: 08 Kesä 2004, 22:34
Car(s): Lanciat: Delta 1.6 Multijet -09, Flavia Milleotto -69, Flaminia Berlina 2.8 -63 + mastapikkari -96 ja Dexta -60

Re: 4C 1750 tbi moottoriongelma!

Viesti Kirjoittaja mutt »

Niin, tuossahan voi nyt olla, että on remontin tuoksinassa mennyt piuhoja kiinni väärään paikkaan, tai vaikka jäänyt joku maapiuha kiinnittämättä. Ja sitten tosiaan se akun lataus. Melkeinpä kannattaisi akku ladata täyteen, ja sitä odotellessa käydä läpi moottoritilan johtosarja.
Joka lumiharjaa säästää, se autoaan vihaa
Miesten ja poikien lelut erottaa vetokoukusta

Avatar
mutt
Viestit: 5937
Liittynyt: 08 Kesä 2004, 22:34
Car(s): Lanciat: Delta 1.6 Multijet -09, Flavia Milleotto -69, Flaminia Berlina 2.8 -63 + mastapikkari -96 ja Dexta -60

Re: 4C 1750 tbi moottoriongelma!

Viesti Kirjoittaja mutt »

Tai vaikkapa jäänyt joku johto puristuksiin tai muuten rikkoutunut, ja ottaa kiinni maahan ainakin välillä.
Joka lumiharjaa säästää, se autoaan vihaa
Miesten ja poikien lelut erottaa vetokoukusta

timodeus
Viestit: 20
Liittynyt: 12 Loka 2025, 12:35
Car(s): ex. 2x Berlina 1971

Re: 4C 1750 tbi moottoriongelma!

Viesti Kirjoittaja timodeus »

Polforea kirjoitti:
21 Loka 2025, 04:00
TBi:tä ja 4C:n konetilaa&johtosarjaa tuntematta: onko ne vvt-solenoidit samanlaisia ja vierekkäin? Voiko niiden johdot olla ristissä?

Yllättävästä vikakoodisumasta, kun autoa nyt on käynnistelty ja käytelty lyhyitä aikoja, niin onhan akkua ladattu erikseen? Sehän voi ruveta vajuun tämmösessä tutkinnassa aika hyvinkin.
Akku on ollut ylläpitolaturissa koko ajan, omistaja on asentanut sellaisen autoon jo vuosia sitten, kun sillä ajetaan niin harvoin. Nytkin akku on täysi jatkuvasti.

Vvt-solenoidit näyttävät olevan samanlaisia päällisin puolin, mutta niiden piuhat eivät yltä ristiin. Irroitin nekin jo ja putsasin varmuuden vuoksi.

timodeus
Viestit: 20
Liittynyt: 12 Loka 2025, 12:35
Car(s): ex. 2x Berlina 1971

Re: 4C 1750 tbi moottoriongelma!

Viesti Kirjoittaja timodeus »

seppo kirjoitti:
21 Loka 2025, 04:26
Laturin+ kaapelin häiriö viittaa sähkövikaan, akun +kaapelissa on varmaan automaattisulake cut-off joka suojelee järjestelmää vauriotilanteissa, onko se viritetty uudelleen ja toimiiko se? Vähän samanlainen kuin inertiakytkin kuskin jalkatilassa, jonka myös voit tarkastaa!
Laturi siis lataa auton käydessä, tuskin se lataisi jos siellä olisi sulake mennyt.
Tuo vikakoodi P0621-93 antaa jotain osviittaa ja se on aktiivinen vika?
Toinen vika P0597-13 viittaa termostaatin virtapiiriin, jolloin varmaan puhallin pyörii kokoajan! Vika on poistunut jo. Sähköisiin ongelmiin molemmat!
Vioista saa yksityiskohtaisempaa tietoa kun menee errors sivulle ja klikkaa details niin joka viasta saa viisi tietoa, milloin se on tullut (vikalaskurin aleneman mukaan) ja siihen liittyvät parametritiedot.
Puhallin toimi ihan normaalisti, mutta nämä vikakoodit tulivat erikoisesti yhden käynnistyksen yhteydessä. Ja toimi tämän vikakoodin jälkeenkin normaalisti.

timodeus
Viestit: 20
Liittynyt: 12 Loka 2025, 12:35
Car(s): ex. 2x Berlina 1971

Re: 4C 1750 tbi moottoriongelma!

Viesti Kirjoittaja timodeus »

mutt kirjoitti:
21 Loka 2025, 13:05
Niin, tuossahan voi nyt olla, että on remontin tuoksinassa mennyt piuhoja kiinni väärään paikkaan, tai vaikka jäänyt joku maapiuha kiinnittämättä. Ja sitten tosiaan se akun lataus. Melkeinpä kannattaisi akku ladata täyteen, ja sitä odotellessa käydä läpi moottoritilan johtosarja.
Silloin kun menin purkamaan jakopään uudelleenasennusta varten, niin omistaja innokkaana purki laturia pois tieltä ja otteet näyttivät siltä, etten ihmettelisi, vaikka joku piuha olisikin vahingoittunut.
Olen miettinyt, että miten saisin auton omaan pihaani, jossa sitä saisi rassata rauhassa. On hiukan vaikeeta yrittää miettiä ja tutkia paikkoja kun kaveri seuraa 50 cm päässä jatkuvasti ja vähän väliä tunkee googlekääntäjää naaman eteen.

Sellainen tuli tuossa mieleen, että kun kerran moottori tuntuu väliin adaptaation opetuksen jälkeen toimivan, niin pitäisikö silloin lähteä suoraan ajolenkille kokeilemaan, josko toimisi ja tallentaisi oppimansa. Samalla vois ajaa sen kotio...

Avatar
mutt
Viestit: 5937
Liittynyt: 08 Kesä 2004, 22:34
Car(s): Lanciat: Delta 1.6 Multijet -09, Flavia Milleotto -69, Flaminia Berlina 2.8 -63 + mastapikkari -96 ja Dexta -60

Re: 4C 1750 tbi moottoriongelma!

Viesti Kirjoittaja mutt »

Random vikakoodeja randomisti startin yhteydessä :arrow: Onkohan maadoitus kunnossa moottorin ja korin ja akun välillä?
Joka lumiharjaa säästää, se autoaan vihaa
Miesten ja poikien lelut erottaa vetokoukusta

seppo
Viestit: 1386
Liittynyt: 30 Kesä 2008, 14:27
Paikkakunta: Vantaa

Re: 4C 1750 tbi moottoriongelma!

Viesti Kirjoittaja seppo »

Toimiiko latauksen merkkivalo oikein? Ja oliko sen akun päällä olevan automaattisulakkeen keltainen painike ylhäällä vai alhaalla? Ja onko sitä edes tässä autossa. Tuo vika P0621-93 on kuitenkin avainasemassa, jos se on ainoa päällä oleva vika autossa! Voit lukea siitä netistä, jutua on jonkin veran! Myös tehtaan nettikorjaamokirjan vianhakukaavio koskien tätä moottoria ja vikakoodia P0621-93 näkyi siellä olevan, kannattaa tutustua!
Viimeksi muokannut seppo, 23 Loka 2025, 06:35. Yhteensä muokattu 4 kertaa.

Avatar
Alfistipohjoosesta
Viestit: 5097
Liittynyt: 03 Maalis 2003, 11:14
Car(s): Ex: Alfetta sedan, 33, 75 Turbo, Sprint, 164 ts, 166 t.s
Alla: Spider -88. "Hopeinen kuu" , 159 2.4 Qrtr SW -09, Mito QV -10
Paikkakunta: Loimaa
Viesti:

Re: 4C 1750 tbi moottoriongelma!

Viesti Kirjoittaja Alfistipohjoosesta »

Hankala tilanne. Syitä voi olla useita, jopa että akku käynyt väärinpäin.
Spider 1988, 159 SW 2.4, Mito QV(ex. GTV6, 166 t.s, 164 t.s, 75 Turbo, 33, Alfetta ja Sprint)

timodeus
Viestit: 20
Liittynyt: 12 Loka 2025, 12:35
Car(s): ex. 2x Berlina 1971

Re: 4C 1750 tbi moottoriongelma!

Viesti Kirjoittaja timodeus »

Nyt sain järjestettyä auton pihaani, josta käsin sitä on huomattavasti helpompi tutkia.
Ajaminen tänne, vaikkei ole kuin 2 km oli aika mielenkiintoinen kokemus.
Sain ihan hyvin sen pihalle omistajan pihasta, mutta kadulla ei lähtenyt milllään eteenpäin, koska ei ottanut kierroksia. Sammutin sitten ja heti sen jälkeen sain vähän kierroksia pesään, että lähti eteenpäin.
Seuraavasta risteyksestä pääsin aika hyvin, kun oli vapaata, mutta sen jälkeen tuli ylämäki ja tosijyrkkä alamäki ja sit vielä jyrkempi ylämäki, jonka jälkeen heti stop-risteys.Sain pumppailla aika lailla, tuli mieleen ajat kaasutinautoilla, kun oli suuttimet tukossa ja kiihdytyspumpun tuottamalla bensalla mentiin eteenpäin. Alamäessä sain vähän vauhtia ja auto lykkäs yhtäkkiä täydet peliin, niin sitten mentiin!
Tasakaasulla ei voinut ajaa ollenkaan, oli aika nykimistä.
Mutta lopulta auto oli pihassa ja luin vikakoodit ja kappas, sieltähän oli tullut uusia vikoja ja vielä aktiivisena.
vikakoodit.jpg
vikakoodit.jpg (123.29 KiB) Katsottu 1686 kertaa
Nämä nokka-akselin virheellisestä asennosta kertovat vikakoodit ihmetyttävät, voisiko jako olla kuitenkin vielä pielessä?

kc5400
Viestit: 4
Liittynyt: 17 Maalis 2003, 17:11
Paikkakunta: nurmijärvi

Re: 4C 1750 tbi moottoriongelma!

Viesti Kirjoittaja kc5400 »

Voisko olla vvt-solenoidien suodattimet tukossa ??
vesku

Avatar
karila
Viestit: 1358
Liittynyt: 28 Helmi 2011, 15:07
Car(s): Giulia Veloce Q4 benzina
Maserati Quattroporte V Automatica
Paikkakunta: Turku

Re: 4C 1750 tbi moottoriongelma!

Viesti Kirjoittaja karila »

seppo kirjoitti:
12 Loka 2025, 21:55
Helpoin vinkki on, että toimittaa auton merkkikorjaamolle! Olin merkin kanssa töissä 15v ja opin että vianhaku on tehtävä systemaattisesti ja asiantunteva tieto on oltava ko autosta, älä ota tätä arvosteluna.
Siellä nurkilla, mm alankomaissa, oli ja varmaan on edelleen euroopan pätevin Alfa tietämys koska uudet mallit toimitettiin juuri Alfan omille pisteille ensimmäisinä ja monesti sieltä sai korjausohjeet ym ennen kuin tehdas edes oli saanut asiaa tiedotteelle.
No itse asiaan, sanoit että vikamuisti oli tyhjä jolloin pitä ajatella niitä vaihtoehtoja jotka voisi tehdä tämän mutta ei ilmoita vikakoodia siitä? Oliko kunnon testeri käytettävissä, tekniset sähkökaaviot ja pätevä mekaanikko? Arvaamalla on vaikea ellei mahdoton tuollaista ratkaista, usein vaatii vertailuauton mukaan jotta tietää oikean toiminnan.
No ajoituksesta se ei ehkä johdu, sille on diagnoosi itsessään. Ilman sisäänmeno, ilmäärä, pakoputki, tuntuuko puhaltavan joutukäynnillä. Lopuksi korkeat polttoaineen paineet, epäilen että tässäkin on suoraruiskutus jolloin moottori käynnistyy siirtopumpun paineella mutta ei ota kierroksia joka vaatisi jo painetta 30-50 bar jopa 100bar kierroksilla järjestelmästä riippuen! Tässä olisi yksi vaihtoehto, mutta viisainta olisi hinata auto korjaamolle!
Jk. jos testerissä on oikea järjestelmä, parametreistä löytyy mm p-järjestelmän paine, virta päällä 3-4bar ja käynnistyttyään korkeampi paine!
Eli tässä moottorissa on polttoaineen korkeapainepumppu moottorissa, paineensäädin ja painetunnistin jakoputkessa, kuten epäilinkin. Tosin kyllä vikamuistiin pitäisi kirjautua tämä painevika? Toimiko auto ennen remontteja normaalisti?
Sanoisin että Sepon aloituslause kertoo sen mitä nyt kannatttais tehdä. Jos on varaa hankkia 4c niin pitää olla varaa laittaa se ajokuntoon.
- Kari

Coltti
Viestit: 333
Liittynyt: 28 Helmi 2012, 12:14
Car(s): Alfa Romeo GT 3.2 -04
Alfa Romeo MiTo Qv -10
Chevrolet Corvette -00
Subaru Impreza STi -07
Tesla Model Y -23

Re: 4C 1750 tbi moottoriongelma!

Viesti Kirjoittaja Coltti »

timodeus kirjoitti:
26 Loka 2025, 15:04
Nyt sain järjestettyä auton pihaani, josta käsin sitä on huomattavasti helpompi tutkia.
Ajaminen tänne, vaikkei ole kuin 2 km oli aika mielenkiintoinen kokemus.
Sain ihan hyvin sen pihalle omistajan pihasta, mutta kadulla ei lähtenyt milllään eteenpäin, koska ei ottanut kierroksia. Sammutin sitten ja heti sen jälkeen sain vähän kierroksia pesään, että lähti eteenpäin.
Seuraavasta risteyksestä pääsin aika hyvin, kun oli vapaata, mutta sen jälkeen tuli ylämäki ja tosijyrkkä alamäki ja sit vielä jyrkempi ylämäki, jonka jälkeen heti stop-risteys.Sain pumppailla aika lailla, tuli mieleen ajat kaasutinautoilla, kun oli suuttimet tukossa ja kiihdytyspumpun tuottamalla bensalla mentiin eteenpäin. Alamäessä sain vähän vauhtia ja auto lykkäs yhtäkkiä täydet peliin, niin sitten mentiin!
Tasakaasulla ei voinut ajaa ollenkaan, oli aika nykimistä.
Mutta lopulta auto oli pihassa ja luin vikakoodit ja kappas, sieltähän oli tullut uusia vikoja ja vielä aktiivisena.
vikakoodit.jpg

Nämä nokka-akselin virheellisestä asennosta kertovat vikakoodit ihmetyttävät, voisiko jako olla kuitenkin vielä pielessä?
Yleensä viimeksi koskettu asia on pielessä, jos vikakooditkin siihen viittaavat.
Tarkistaisin siis jakopään vielä uudelleen.
Eero Tiainen
0451560102
CARF klubimestari "ratavastaava"
www.EerosGarage.fi

timodeus
Viestit: 20
Liittynyt: 12 Loka 2025, 12:35
Car(s): ex. 2x Berlina 1971

Re: 4C 1750 tbi moottoriongelma!

Viesti Kirjoittaja timodeus »

Coltti kirjoitti:
27 Loka 2025, 06:46

Yleensä viimeksi koskettu asia on pielessä, jos vikakooditkin siihen viittaavat.
Tarkistaisin siis jakopään vielä uudelleen.
Niin ajattelin tehdä.

Aihetta penkoessani törmäsin varsin selventävään videoon vvt-nokkien toiminnasta ja äänestä, joka kuuluu ennen kuin öljynpaine nousee riittävästi.
Iso käsi sille, joka on aiheeseen perehtynyt ja valmistaa siihen vielä "korjaussarjaa"
https://www.youtube.com/watch?v=YGcWCG0MK_8

timodeus
Viestit: 20
Liittynyt: 12 Loka 2025, 12:35
Car(s): ex. 2x Berlina 1971

Re: 4C 1750 tbi moottoriongelma!

Viesti Kirjoittaja timodeus »

karila kirjoitti:
26 Loka 2025, 23:04

Sanoisin että Sepon aloituslause kertoo sen mitä nyt kannatttais tehdä. Jos on varaa hankkia 4c niin pitää olla varaa laittaa se ajokuntoon.
Ymmärrän pointtisi, mutta 15v tässä maassa asuneena ymmärrän myös omistajan huolen autonsa suhteen.

MINÄKÄÄN en veisi autoani millekään korjaamolle tässä maassa, JOLLEN tunne heidän toimintatapoja ja asentajia. En merkkikorjaamolle, enkä varsinkaan nyrkkipajalle. Ja tämän mielipiteen voisin perustella varsin värikkäästi, mutta jätettäköön se johonkin toiseen hetkeen.

Avatar
mutt
Viestit: 5937
Liittynyt: 08 Kesä 2004, 22:34
Car(s): Lanciat: Delta 1.6 Multijet -09, Flavia Milleotto -69, Flaminia Berlina 2.8 -63 + mastapikkari -96 ja Dexta -60

Re: 4C 1750 tbi moottoriongelma!

Viesti Kirjoittaja mutt »

Nuo circuit open-viat tallennettuina vihjaavat, että joku liitin ei ole ehkä kunnolla kiinni, tai siitä on jotkut pinnit irronneet. Ellei sitten ole nuo viat jonkun oman kokeilun tulosta.
Joka lumiharjaa säästää, se autoaan vihaa
Miesten ja poikien lelut erottaa vetokoukusta

Avatar
karila
Viestit: 1358
Liittynyt: 28 Helmi 2011, 15:07
Car(s): Giulia Veloce Q4 benzina
Maserati Quattroporte V Automatica
Paikkakunta: Turku

Re: 4C 1750 tbi moottoriongelma!

Viesti Kirjoittaja karila »

timodeus kirjoitti:
27 Loka 2025, 08:21
karila kirjoitti:
26 Loka 2025, 23:04

Sanoisin että Sepon aloituslause kertoo sen mitä nyt kannatttais tehdä. Jos on varaa hankkia 4c niin pitää olla varaa laittaa se ajokuntoon.
Ymmärrän pointtisi, mutta 15v tässä maassa asuneena ymmärrän myös omistajan huolen autonsa suhteen.

MINÄKÄÄN en veisi autoani millekään korjaamolle tässä maassa, JOLLEN tunne heidän toimintatapoja ja asentajia. En merkkikorjaamolle, enkä varsinkaan nyrkkipajalle. Ja tämän mielipiteen voisin perustella varsin värikkäästi, mutta jätettäköön se johonkin toiseen hetkeen.
Auttaisiko Espanjan Alfa-kerho ? Siellä varmaan tietämystä korjaamoista/korjaajista.

https://clubalfaromeoespana.com/
- Kari

Avatar
Alfistipohjoosesta
Viestit: 5097
Liittynyt: 03 Maalis 2003, 11:14
Car(s): Ex: Alfetta sedan, 33, 75 Turbo, Sprint, 164 ts, 166 t.s
Alla: Spider -88. "Hopeinen kuu" , 159 2.4 Qrtr SW -09, Mito QV -10
Paikkakunta: Loimaa
Viesti:

Re: 4C 1750 tbi moottoriongelma!

Viesti Kirjoittaja Alfistipohjoosesta »

timodeus kirjoitti:
13 Loka 2025, 13:35
Alfistipohjoosesta kirjoitti:
13 Loka 2025, 10:48
Oletko tarkistanut kaikki paikat mihin koskettu ekassa remontissa? Ilmuletkut, pistokkeet yms? Ja ajoitustyökalut laadukkaat ja juuri tuohon malliin?
Kyllä työkalut olivat juuri tuon näköiset, ilman Moparin leimoja. Sopivat aika hyvin paikoilleen. Kaveri tunnusti, ettei ollut kiinnittänyt niitä ruuveilla...

Akku on ollut pitkiä aikoja pois, mutta konetta ei ole käytetty niin pitkään tyhjäkäynnillä, että flekti olisi käynnistynyt. Tuotahan voisi kokeilla.
Heitto kellolla yläkuolokohta tarkalleen ja katsoa meneekö yksiin työkalun kanssa. Ois yksi askel nähdä onko sarja kohdillaan.
Spider 1988, 159 SW 2.4, Mito QV(ex. GTV6, 166 t.s, 164 t.s, 75 Turbo, 33, Alfetta ja Sprint)

timodeus
Viestit: 20
Liittynyt: 12 Loka 2025, 12:35
Car(s): ex. 2x Berlina 1971

Re: 4C 1750 tbi moottoriongelma!

Viesti Kirjoittaja timodeus »

Auto on ollut pihassa jo useamman päivän, mutta kuten sanottua, työt haittaa harrastuksia ja vain satunnaisesti olen ehtinyt sitä ihmettelemään.

Olen nyt kuitenkin perehtynyt jakopään toimintaan ja työkalujen sopivuuteen ja yrittänyt heittokellon avulla säätää yläkuolokohdan ja sen perusteella lukita kampiakselin, koska mielestäni eniten heittoa pääsee tulemaan juuri kampiakselin päässä. Työkalu ei istu 100%. Kyllä nokkien lukitustyökaluissakin on pientä klappia, muttei niin paljoa, että jako voisi mennä ts. pykälän pieleen.
On muuten yllättävän haastavaa saada kiristettyä nokkapyörät momenttiin niin, että vielä moottorin pyörittämisen jälkeen työkalut osuisivat niin tarkasti paikoilleen, että saisi ruuvit sormin kiinni.

Toinen ihmettelyn aihe on laturi. Mun viimeisestä Alfa remontista on kulunut niin paljon aikaa, että olen jo aivan tottunut can-väyläisiin latureihin. Mutta kas kummaa, tässähän on oikein kunnon vanhanliiton laturi, jossa on vain päävirta + ja herätejohto. Tämän takia voisi varsin suoraviivaisesti todeta, ettei laturissa tai johdotuksessa ole vikaa, koska laturi alkaa lataamaan välittömästi käynnistyksen jälkeen.
Mutta mistä vikakoodi sitten voi tulla, sitä en ymmärrä. Onko autossa joku erillinen "jännitteensäätömoduli", joka on kytketty väylään?

Toivon että tänään ehdin paneutumaan aiheeseen paremmin, eilen pisin yhtäjaksoinen hetki oli 25 min. :(

Avatar
mutt
Viestit: 5937
Liittynyt: 08 Kesä 2004, 22:34
Car(s): Lanciat: Delta 1.6 Multijet -09, Flavia Milleotto -69, Flaminia Berlina 2.8 -63 + mastapikkari -96 ja Dexta -60

Re: 4C 1750 tbi moottoriongelma!

Viesti Kirjoittaja mutt »

Olihan moottorin ja korin välinen maadoitus jo tarkastettu?
Joka lumiharjaa säästää, se autoaan vihaa
Miesten ja poikien lelut erottaa vetokoukusta

timodeus
Viestit: 20
Liittynyt: 12 Loka 2025, 12:35
Car(s): ex. 2x Berlina 1971

Re: 4C 1750 tbi moottoriongelma!

Viesti Kirjoittaja timodeus »

mutt kirjoitti:
31 Loka 2025, 08:53
Olihan moottorin ja korin välinen maadoitus jo tarkastettu?
Kyllä, moottorin ja moottorin ympärillä olevan alumiinirungon välinen kaapeli on kunnossa, kuten myös akulta samaan pisteeseen tuleva maajohto.

timodeus
Viestit: 20
Liittynyt: 12 Loka 2025, 12:35
Car(s): ex. 2x Berlina 1971

Re: 4C 1750 tbi moottoriongelma!

Viesti Kirjoittaja timodeus »

Mulla alkaa keinot käymään vähiin.
Olen tehnyt nollauksia ja koittanut opettaa konetta kaikkien saatavilla olevien oppien mukaisesti, mutta ei vaan ala toimimaan.
Nyt viimeisimmän hihnan säädön jälkeen tuntuu, että se käy hivenen nätimmin, mutta kun yrität lähteä liikkeelle, niin heti loppuu yhteistyö.
Sain auton peruutettua kadulle pitkällisten manööverien jälkeen, mutta ei sitten sen jälkeen lähtenyt mihinkään.
Tyhjäkäynnillä sekä imu-, että pakonokkien pyydetyt ja mitatut arvot seuraavat tosi hyvin toisiaan, mutta kun kaasua painaa, niin tulee ihan mahdoton ero arvoihin. Toki ei oikein kunnon johtopäätöksiä tuosta vetämään, kun kierroksia ei saa pidettyä yllä.

Kun nyppäsin imunokan vvt-säätimen piuhan irti, niin toimi kohtuullisesti ja sain ajettua pienen lenkin.
Käyttämälläni iCarsoft testerillä ei tunnu pääsevän moottorin adaptaatioihin käsiksi, siinä on kyllä kohta "Reset ecu" ja siellä puhutaan arvojen nollauksista, mutta samassa lauseessa ecun vaihtamisesta ja sen jälkeen vaihteiston adaptaatioiden nollauksesta. En oikein arvaa mennä siitä eteenpäin, jos nollaa vähän liikaa tietoja.

Onko kellään tietoa MicroPod 2 laitteesta? Löysin tuommoisen: https://a.aliexpress.com/_EJmzt72
Pääsisikö sillä vähän syvemmälle systeemiin?

AAW
Viestit: 1049
Liittynyt: 08 Loka 2003, 18:31
Car(s): Stelvio Veloce Tbi
159 JTS Berliina & Tbi TI SW
QP V8 Evo

ex.75 2.0 TC, 159 Tbi & 159 2.0 JTD, 2x156 TS, GTV V6, 166 JTDm, Stelvio JTD
Paikkakunta: Billnäs

Re: 4C 1750 tbi moottoriongelma!

Viesti Kirjoittaja AAW »

Hanki lisensoitu MES ja läppärillä sitten kiinni. https://www.multiecuscan.net/
Toimii monesti paremmin näitten kanssa kuin nuo vikakoodinlukijat.

Avatar
Oleino
Viestit: 2035
Liittynyt: 04 Touko 2006, 18:58
Car(s): 33 16v
Paikkakunta: Valkeakoski

Re: 4C 1750 tbi moottoriongelma!

Viesti Kirjoittaja Oleino »

En tunne moottoria, mutta... VVT ilmeisesti kinaa nyt vastaan ja aiheuttaa ongelmia? Kuinka vvt saa ohjauksensa tässä moottorissa? Oletan että solenoidi ohjaa säätimelle öljyä, joka saa säätimen säätymään. Meneekö öljykanavat venttiilikopan kautta, ja jos menee, niin onko tiivisterenkaat kunnossa? Venttiilikoppahan on ollut varmastikin irti operaation aikana.

Vahva suositus myös MES lisenssin hankinnalle. Merkkitesteri on aina parempi kuin yleismalli. Pahimmillaan joku vikakoodi ilmoitetaan vääränä jonkun kääntötaulun kautta.
Tein itse - säästin

timodeus
Viestit: 20
Liittynyt: 12 Loka 2025, 12:35
Car(s): ex. 2x Berlina 1971

Re: 4C 1750 tbi moottoriongelma!

Viesti Kirjoittaja timodeus »

Sain ongittua omistajalta tiedon, että hän oli vaihtanut öljyt samaan aikaan kuin jakopään. Suodatin oli kuulemma joku tarvike, ei Mann (mikä kuulemma on ensiasennuksena). Tuli vaan mieleen, ettei suodattimessa ole ylipaineventtiiliä, joka falskaa?
Löysinkin jenkkifoorumilta yhden asiaa käsittelevän threadin.

timodeus
Viestit: 20
Liittynyt: 12 Loka 2025, 12:35
Car(s): ex. 2x Berlina 1971

Re: 4C 1750 tbi moottoriongelma!

Viesti Kirjoittaja timodeus »

AAW kirjoitti:
02 Marras 2025, 15:49
Hanki lisensoitu MES ja läppärillä sitten kiinni. https://www.multiecuscan.net/
Toimii monesti paremmin näitten kanssa kuin nuo vikakoodinlukijat.
Onko kokemusta MES:stä tabletin kanssa?
En omista kunnollista pc-läppäriä, enkä viitsisi mersun merkkitesterin läppärille asentaa muiden ohjelmia.

Palautin auton työmatkani ajaksi omistajalleen ja hän vaihtoi öljynsuodattimen, muttei se vaikuttanut vikaan mitenkään.
Nyt pitäisi jälleen alkaa miettimään, että miten pääsisi eteenpäin, onko seuraava steppi sitten tuo MES?

Avatar
spyykko
Viestit: 85
Liittynyt: 29 Huhti 2013, 13:32
Car(s): GTV 2.0 TB
Paikkakunta: Kangasala

Re: 4C 1750 tbi moottoriongelma!

Viesti Kirjoittaja spyykko »

timodeus kirjoitti:
12 Marras 2025, 13:23

Onko kokemusta MES:stä tabletin kanssa?
Puhuin läpiä päähäni, eli poistan kommentin

AAW
Viestit: 1049
Liittynyt: 08 Loka 2003, 18:31
Car(s): Stelvio Veloce Tbi
159 JTS Berliina & Tbi TI SW
QP V8 Evo

ex.75 2.0 TC, 159 Tbi & 159 2.0 JTD, 2x156 TS, GTV V6, 166 JTDm, Stelvio JTD
Paikkakunta: Billnäs

Re: 4C 1750 tbi moottoriongelma!

Viesti Kirjoittaja AAW »

Läppärillä olen käyttänyt, sivustolla sanotaan että toimisi Ipadillä ja Windows Mobile laitteilla.

timodeus
Viestit: 20
Liittynyt: 12 Loka 2025, 12:35
Car(s): ex. 2x Berlina 1971

Re: 4C 1750 tbi moottoriongelma!

Viesti Kirjoittaja timodeus »

Auto palautui pihaani, koska ei sitä kuulemma kukaan muukaan kuntoon saa.
No, miksi minä sitten, en tiedä...?
Tässä välissä hommasin ELM327 Wifi palikan ja ostin iPadille MES ohjelman.

Samat vikakoodit se näyttää, kuten myös moottorin arvot, mutta vähän kätevämpi se on käyttää, kuin tuo iCarsoft, varsinkin kun ikänäkö alkaa vaivaamaan ja pädissä on isompi ja parempi näyttö.

Tein adaptaatioiden nollauksen ja sen jälkeen käytin koneen lämpöiseksi kaasuun koskematta ja odotin, että flekti käynnistyy ja sammuu.
Sen jälkeen kone otti hiukan kaasua, mutten aivan tasaisesti käynyt, laitan siitä videon linkin tähän. https://youtube.com/shorts/uqzVyAW7bak

Kun aikani poljettuani kone sammui, ei se taaskaan toiminut kunnolla.
Erikoista on, että VVT-arvot heittelevät niin paljon, mutta mulla ei ole vertailukohtaa, että kuinka niiden olisi käyttäydyttävä. Olisiko jollain mahdollisuutta ottaa omasta pirssistään vähän tallennetta?

Mikähän kumma läppä tuossa on pakoputkessa, kun kylmänä on erilainen ääni ja sitten jonkun ajan päästä ääni muuttuu ja putkesta sylkee mustia pisteitä joka paikan täyteen, jäävät aika kovasti kiinni muuriin :evil:
IMG_6586.jpeg
IMG_6586.jpeg (58.33 KiB) Katsottu 233 kertaa
IMG_6588.jpeg
IMG_6588.jpeg (86.7 KiB) Katsottu 233 kertaa

Avatar
Polforea
Viestit: 12036
Liittynyt: 21 Kesä 2011, 01:17
Car(s): XF
159 Berlina
159 Berlina
348TB
350i DHC
4C 1:24 TBi
Paikkakunta: Viiva-k-fisu

Re: 4C 1750 tbi moottoriongelma!

Viesti Kirjoittaja Polforea »

Siltähän tuo koodisto näyttää, että imunokka ei olisi ajassansa, mutta se voi ainakin teoriassa johtua myös siitä, että ajoituksen säätö ei vikakoodien mukaan toimi oikein, kun solenoidien virtapiirit ovat muka auki.

Tekisi kyllä mieli tuikata oskilloskooppi sinne solenoidin liittimen väliin ja katsella että meneekö käsky niin pitkälle ja jättääkö solenoidi vaan toteuttamatta.


Mitkäs arvot tuossa videossa on haussa? Yhden nokan toteuma ja pyynti, sitten toisen nokan toteuma ja pyynti?
Tekemällä mitä haluaa oppii tekemään mitä haluaa.

timodeus
Viestit: 20
Liittynyt: 12 Loka 2025, 12:35
Car(s): ex. 2x Berlina 1971

Re: 4C 1750 tbi moottoriongelma!

Viesti Kirjoittaja timodeus »

Polforea kirjoitti:
24 Marras 2025, 20:46
Siltähän tuo koodisto näyttää, että imunokka ei olisi ajassansa, mutta se voi ainakin teoriassa johtua myös siitä, että ajoituksen säätö ei vikakoodien mukaan toimi oikein, kun solenoidien virtapiirit ovat muka auki.

Tekisi kyllä mieli tuikata oskilloskooppi sinne solenoidin liittimen väliin ja katsella että meneekö käsky niin pitkälle ja jättääkö solenoidi vaan toteuttamatta.


Mitkäs arvot tuossa videossa on haussa? Yhden nokan toteuma ja pyynti, sitten toisen nokan toteuma ja pyynti?
Nuo nokkien vikakoodit tuli siirtoajosta, jolloin pistokkeet oli irti. Autolla ei voi ajaa jos vvt-säätimet on kytketty.

Videolla hain sitä, että miten nokkien kulmat seuraa pyyntejä kierroksilla. Tyhjäkäynnillä ne menee oikein hyvin linjassa.
Oskiloskooppia voisi kokeilla, jos löydän toimivan jostain, en ole hetkeen sitä tarvinnut.

Muita vikakoodeja autoon ei tule, kuin tuo laturin herja, jota en myöskään ymmärrä mistä se voi tulla, koska laturi toimii täydellisesti ja D+ johtoon tulee signaali.
Sen haluaisin kyllä selvittää, että mistä se signaali tulee ja kuka sitä käskee. Tarviis jostain oikeat kytkentäkaaviot.

Avatar
Polforea
Viestit: 12036
Liittynyt: 21 Kesä 2011, 01:17
Car(s): XF
159 Berlina
159 Berlina
348TB
350i DHC
4C 1:24 TBi
Paikkakunta: Viiva-k-fisu

Re: 4C 1750 tbi moottoriongelma!

Viesti Kirjoittaja Polforea »

Ah aivan. Ei niitä solenoideja sitten tarvi skoopata kun kerran koodit on irtiotosta. Myös tuo P0014 häviää kun johdot on kiinni?

Nokkien säätäminen lennossa ei lie helppoa ja toteuma voi heittää yli tai ali kun pyynti muuttuu, pitäisi kuitenkin löytyä tontille kohtuuajassa. Videosta meinasin että mitkä ne arvojen otsikot on kun ei näy, mutta tuo että vvt-solenoidien johdot ovat aiemmin olleet irti selittää että videossa toimii ja koodikuvan mukaan ei.
Tekemällä mitä haluaa oppii tekemään mitä haluaa.

seppo
Viestit: 1386
Liittynyt: 30 Kesä 2008, 14:27
Paikkakunta: Vantaa

Re: 4C 1750 tbi moottoriongelma!

Viesti Kirjoittaja seppo »

Tehtaan korjaamokirjoihin ja muihin aineistoihin pääsee kyllä, mutta ne ovat maksullisia ja lukuaikaa ei voi ostaa yksityishenkilö! Netistä hakemalla vikakoodin (P0621-93) mukaan, jota pidän tärkeimpänä koodina, muut mielestäni ovat sen seurausta. Netistä löytyy kyllä aineistoa tästä moottorista mutta vanhempien mallien yhteydessä. Siellä varoitetaan voimakkaasti mm akun irroitusajoista jne, jotka ovat poikkeuksellisen pitkiä ohjainlaitteen rikkoutumisen estämiseksi, kannattaa selata niitä. Luulisi siellä nurkilla olevan joku Stellantiksen autoja maahantuova tai myyvä firma, heiltä voisi varmaan ostaa lukuaikaa jotta saisi tulostettua aineistoa. Mitä tuon "Info" painikkeen takaa löytyy?

timodeus
Viestit: 20
Liittynyt: 12 Loka 2025, 12:35
Car(s): ex. 2x Berlina 1971

Re: 4C 1750 tbi moottoriongelma!

Viesti Kirjoittaja timodeus »

seppo kirjoitti:
25 Marras 2025, 08:20
Tehtaan korjaamokirjoihin ja muihin aineistoihin pääsee kyllä, mutta ne ovat maksullisia ja lukuaikaa ei voi ostaa yksityishenkilö! Netistä hakemalla vikakoodin (P0621-93) mukaan, jota pidän tärkeimpänä koodina, muut mielestäni ovat sen seurausta.

. Mitä tuon "Info" painikkeen takaa löytyy?
Kyllähän netissä näyttäis olevan monenlaista materiaalia myynnissä, kaikki mainostaa alkuperäisiä korjaamokäsikirjoja, toinen $8, toinen $79.99.
https://www.factory-manual.com/2017-alf ... -1046.html

Infon takaa löytyy tämmöistä tietoa:
IMG_1074.jpeg
IMG_1074.jpeg (34.7 KiB) Katsottu 93 kertaa
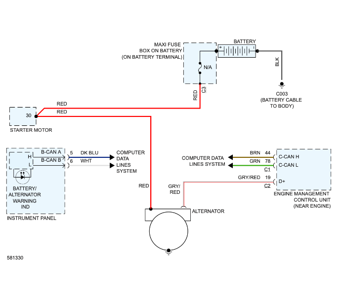
Edit: Pistin sen $8 haisemaan ja sain moottorin kytkentäkaavion, sieltä löyty tämmöinen sivu. Eli ainakin löytyi, mistä pinnistä D+ pitäisi saada.

En tiedä mitä kaikkea omistaja on ehtinyt tämän kanssa tekemään, mutta ainakin hän on jossain vaiheessa käyttänyt konetta ilman laturia, kun halusi kokeilla että toimiiko kone hihnan vaihdon jälkeen. Olisiko siinä yhteydessä sitten ottanut jotain kipeetä...?
Näyttökuva 2025-11-25 kello 13.56.10.png
Näyttökuva 2025-11-25 kello 13.56.10.png (62.45 KiB) Katsottu 88 kertaa

seppo
Viestit: 1386
Liittynyt: 30 Kesä 2008, 14:27
Paikkakunta: Vantaa

Re: 4C 1750 tbi moottoriongelma!

Viesti Kirjoittaja seppo »

Hiukan oudolta kaavio näyttää, mutta sehan on Cryslerin tekemä korjausohje, ei tehtaan alkuperäinen kaavio!
No, netistä tälle vialle P0621-13 löytyy Giuliettan 1,8 TB korjaamokirjan sivuilta tähän lähettämääsi kaavioon tekstiosa, jossa pyydetään tarkastamaan laturin johdotus laturin ja "ohjausmodulin" navan 19 väliltä. Puna/harmaa johto liittimessä C2 (D+).
Sen jälkeen jos se on ok;
- Kytke V-mittari laturin D+ ja maan väliin.
- Virta päällä tarkasta että mitattu jännite on alle 5,5V, ja että latausvalo PALAA mittaristossa.
- Jos jännite ei ole oikea, on laturi tai säädin risa ja ne pitää vaihtaa. Jos ok niin...
- Käynnistä moottori ja tarkasta D+ jännite, sen tulee olla yli 5,5V ja latausvalon tulee sammua. Tarkasta lataus myös kuormitettuna.

Tämä on siis Giulietta 1,8 TB kirjasta, joka tuntuu olevan kaavion kanssa yhtä! Netistä en löytänyt 4C vastaavaan, ja toisaalta en saanut avattua G:n
kaaviota ennen kuin saan juniorin muuttamaan asetukset kohdilleen tuohon kaavioon.
Tämä on ensiaskel tämän vikakoodin Po621-93 purkamiseksi, ei välttämättä viimeinen, katsotaan!
JK, eikö Can-vikaa testeri kerro, mittaristossa ei mikään vilku?

Vastaa Viestiin